El anillo colectando a prueba de explosiones se llama como el anillo colectando conductor a prueba de explosiones, anillo de colector a prueba de explosiones,
anillo de recogida a prueba de explosiones o anillo colectando, etc ininflamables. Es una clase de anillo colector conductor con seguridad altamente confiable, bajo trabajo del ambiente explosivo fácil tal como ambiente químico/explosivo del petróleo, del polvo.
Características
◆Alta seguridad, alta confiabilidad
◆Grado de la protección: IP65
◆La certificación de la explosión está disponible
◆Análogo de la ayuda y transmisión mezclada de la señal de datos
Uso
◆Plataforma petrolera, plataforma marina
◆Equipo del paquete del material explosivo
◆Equipo de proceso de la agricultura
Opcional
◆Número de circuito
◆Grado actual
◆Grado de grado de la explosión
Especificación
| Modelo: ECN000-EX-17P3 Parámetro | |||
| Actual | 17*5A | Grado de la protección | IP65 |
| Velocidad de trabajo | 0~50rpm | Voltaje de clasificación | 380VAC |
| Resistencia de aislamiento | ≥500MΩ@100VDC | Fuerza dieléctrica | ≥ 1000VAC@50Hz
|
| Fluctuación de la resistencia | 70MΩ | Material del contacto | Metal precioso |
| Modo de conexión | terminal | Humedad de trabajo | Debajo de 60%RH |
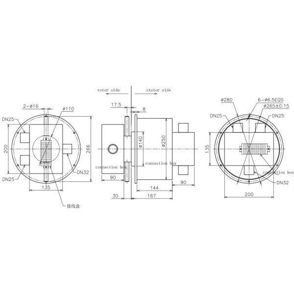
Dibujo de esquema del producto

Porqué con CENO
CENO es una tecnológico compañía en el campo del anillo colectando que dedica la investigación y desarrollo, la fabricación y ventas. Hemos avanzado los instrumentos del equipo y de la prueba de la alta precisión para asegurar calidad de los productos y funcionamiento confiable. El área de la instalación cubre 3000 metros cuadrados y localizada en Shenzhen China.

Certificación
ISO9001, CE, RoHS, UL, a prueba de explosiones

Ventaja de CENO
El miembro en dirigir al equipo tiene más de 10 años de experiencia en el campo del anillo colectando. Los operadores trabajan en el procedimiento crítico todo son calificados por el entrenamiento interno.

El servicio CENO proporciona
24 horas, servicio del consultor 7days.
Producción total y modificada para requisitos particulares.
Solución offerring para el sistema de la rotación 360°.
Recepción para consultarnos con sus pedidos cualquier sistema de la rotación 360°. Le proporcionaremos un servicio de la parada oportuno respondemos sus investigaciones.