Resbalón conductor Ring For Rotary Table Application del Grande-diámetro interior sin necesidad de mantenimiento
CENO tiene un diseño mayor y equipo de desarrollo, en cuanto a la reunión los requisitos especiales de los clientes del anillo colectando conductor del grande-diámetro interior, podemos desarrollar tal diámetro del anillo colectando con 100m m, 200m m, 300m m, 400m m, 500m m, 600m m y hasta 1000m m. Puede también ser diseñado como partido o tipo integral, son ampliamente utilizados para la tabla rotatoria, el equipo del puerto, el equipo de la diversión, el restaurante rotatorio, el etc
Características
Uso
Opción
Especificación
| Parámetro | |||
| Circuito | 10*5A, 14*signal | Grado de la protección | IP54 |
| Voltaje | 380VAC/24VDC | Temperatura | -20℃~+60℃ |
| Resistencia de aislamiento | ≥500MΩ@100VDC (poder) ≥100MΩ@100VDC (señal) | Humedad | ≤60%RH |
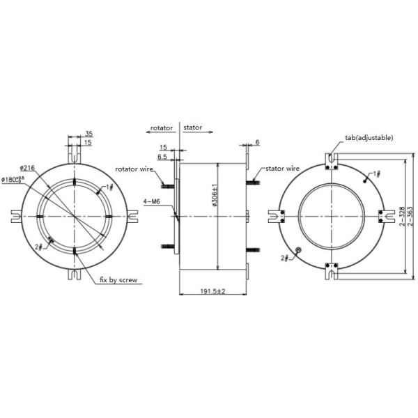
| Diámetro | Ф180 | Velocidad giratoria | 0~100rpm |
| Fluctuación de la resistencia | ≤70mΩ (50rpm) | Material del contacto | Metal precioso |
| Dieléctrico Fuerza | ≥ 1000VAC@50Hz (poder) ≥ 300VAC@50Hz (señal) | Espec. del alambre | AWG20#Tin-coated ®UL alambre del escudo del doble del ² 2core de 0.3m m alambre del escudo del doble del ² 6core de 0.3m m |
Dibujo de esquema

Porqué con CENO
CENO es una tecnológico compañía en el campo del anillo colectando que dedica la investigación y desarrollo, la fabricación y ventas. Hemos avanzado los instrumentos del equipo y de la prueba de la alta precisión para asegurar calidad de los productos y funcionamiento confiable. El área de la instalación cubre 3000 metros cuadrados y localizada en Shenzhen China.

Certificación
ISO9001, CE, RoHS, UL, a prueba de explosiones

Ventaja de CENO
El miembro en dirigir al equipo tiene más de 10 años de experiencia en el campo del anillo colectando. Los operadores trabajan en el procedimiento crítico todo son calificados por el entrenamiento interno.

El servicio CENO proporciona
24 horas, servicio del consultor 7days.
Producción total y modificada para requisitos particulares.
Solución offerring para el sistema de la rotación 360°.
Recepción para consultarnos con sus pedidos cualquier sistema de la rotación 360°. Le proporcionaremos un servicio de la parada oportuno respondemos sus investigaciones.