Tubo de acero inoxidable Thermowell de la protección del termopar con el reborde DN25
1. Breve introducción
Thermowells es colocaciones tubulares usadas para proteger los sensores de temperatura instalados en procesos industriales. Un thermowell consiste en un tubo cerrado en un extremo y montó en la corriente de proceso. Un sensor de temperatura tal como un termómetro, un termopar o un detector de la temperatura de la resistencia se inserta en el extremo abierto del tubo, que está generalmente en el aire abierto fuera de la instalación de tubos del proceso o del buque y de cualquier aislamiento térmico. El calor flúido de las transferencias del proceso a la pared del thermowell, que a su vez transfieren calor al sensor.
2. Características
3. Parámetro.

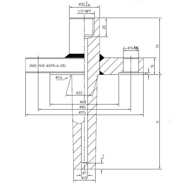
Estándar del reborde
| Estándar del ANSI B16.5/de ASME B16.47: 150LBS, 300LBS, 600LBS, 900LBS, 1500LBS. Reborde de soldadura del cuello, reborde del mocasín, reborde ciego, etc. |
| Reborde EN1092-1. |
| REBORDES DEL ESTRUENDO: DIN2527, DIN2573, DIN2576, DIN2633, DIN2566 DIN2543, DIN2573, DIN2544/2545, ESTRUENDO 2632/2634/2635; |
| REBORDES DEL UNI: UNI 2253/2254/22762278/22812284/6083/6084/placa 60896093, mocasín, Soldadura-cuello, rebordes ciegos, etc.; |
| Reborde del GOST: Reborde de GOST12820-80 y del GOST 12821-80. |
| REBORDES DE BS4504/DE EN1092-1/DE TABLE-E: PN10, PN16, PN25, PN40 ensancha; |
| REBORDES DE JIS B2220/DE KS B1503: 5K, 10K, 16K, 20K, 30K ensancha. |
4. Uso
El thermowell protege el instrumento contra la presión, las fuerzas flujo-inducidas, y los efectos químicos del líquido de proceso. Un thermowell se hace típicamente de la acción de la barra de metal. El extremo del thermowell puede estar del diámetro reducido (como en el caso de un thermowell afilado o caminado de la caña) para mejorar la velocidad de la respuesta.