Gancho de liberación manual de 15KN para botes de rescate y balsas salvavidas, mecanismo de liberación a carga
Descripción:
El gancho de liberación manual de 15KN es un mecanismo de desacoplamiento "en carga" diseñado para liberar balsas salvavidas y botes de rescate. Está destinado a ser operado (abierto) cuando el barco se baja al agua,independientemente de si hay una carga aplicada por el movimiento del buque o el mar. El mecanismo de liberación de la balsa salvavidas tiene una carga de trabajo segura (SWL) de 15 kN,
Todos los componentes del gancho de liberación manual del bote de rescate de 15KN están diseñados para una durabilidad a largo plazo en condiciones marinas difíciles y fabricados de acuerdo con las últimas regulaciones SOLAS.Se someten a pruebas de acuerdo con el código LSA (Appliance Life-Saving) y llevan la certificación WHEELMARK.
Características del producto:
- Construcción de acero inoxidable y de acero aleado
- Mecanismo de liberación segura diseñado para evitar la liberación accidental
- Prueba de carga de prueba para cada gancho antes de la entrega y prueba de carga de ruptura para cada lote
- Cumplimiento de las normas de la OMI SOLAS y del Código LSA.
Especificación técnica principal:
- Aplicación: balsa salvavidas marinas, mecanismo de liberación manual de embarcaciones de rescate
- Liberación manual durante la carga
- Carga de trabajo segura: 15KN
- Limites de carga de trabajo: 90KN
- Tipo: manual de 15KN
- Materiales: Acero de aleación, acero inoxidable
- Tratamiento de superficie: fundición y pulido de ganchos de acero inoxidable, otras piezas de placas de acero inoxidable 1Cr18Ni19Ti
- Certificados: Certificado de homologación de tipo CE MED (módulo B+D+DOC), homologación de tipo de clasificación
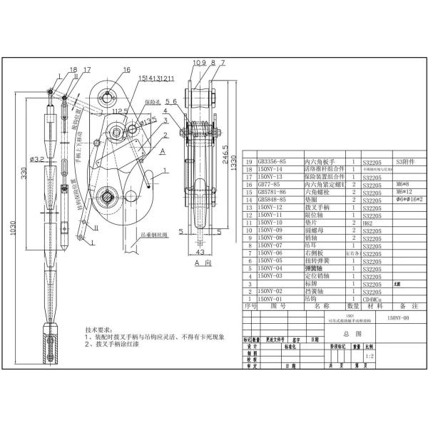
Procedimiento de instalación del gancho (véase el diagrama)
- Se desvinculará el clavo de posicionamiento de la tuerca Meta (no 10).
- Se extrae la nuez Meta (no 10).
- Cambiar el eje superior (número de serie 9).
- Retirar la oreja colgante (número de serie 8).
- Coloque la oreja colgante (número de serie 8) en el anillo del gancho y vuelva a instalar el eje (número de serie 9).
- Apretar la tuerca (número de serie 10) y el tornillo de posicionamiento.
Instrucciones de uso y operación (véase la figura).
- Mover el mango del tenedor (no 13) para colocar el gancho (no 1).
- Coloque la manija de la horquilla (n.o 13) hacia abajo a través de la barra de empuje suelta (número de serie 18) hasta que alcance la posición de seguridad conectada.
- Pegar el muelle de torsión (no 6) del gancho (no 1) para levantar cargas pesadas.
- Para desacoplarse, primero se quitará el dispositivo de seguridad (no 17) del orificio de seguridad y luego se moverá la barra de empuje flexible (no 18) hacia arriba para desconectar el mango de la horquilla (no 13).que permite liberar libremente la carga del gancho (no.1).
Instrucciones de mantenimiento y reparación
- Verifique regularmente el gancho después de su uso (cada tres meses) y lubrique las partes activas con grasa de base de litio sintético (SY141380).
- Limpie el aspecto del gancho con aceite de máquina de coser.
- Durante las inspecciones, si la acción de liberación no es suave o si las piezas muestran signos de desgaste o flexión, sustituir las piezas afectadas.
- El personal técnico cualificado deberá operar el gancho de liberación y realizar ensayos de carga a 1,1 veces la capacidad de carga antes de su uso.

Dibujo deGancho de liberación manual de 15KN para botes de rescate y balsas salvavidas, mecanismo de liberación a carga