Tipo de JIS F 2017-1982 porque el acero de bastidor Panamá montada baluarte acuña el equipo del amarre de la nave
Descripción:
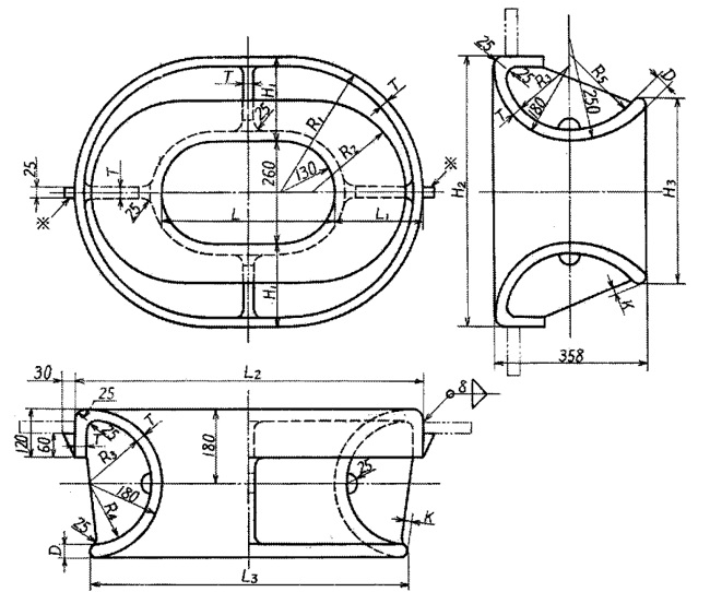
Las cuñas de Panamá son populares como amarrar el equipo, que puede colocar grandes cargas al amarrar las naves y los buques. Se utiliza principalmente cuando navegación de la nave en el Canal de Panamá. Podemos proporcionar 4 tipos, debajo de JIS F 2017-1982; el tipo CA, AP es cubierta montada y el tipo porque, BP es baluarte montó las cuñas.
Especificación técnica principal:
Parámetros técnicos principales:
|
Nominal Tamaño |
L | L1 | L2 | L3 | D | H1 | H2 | H3 | R1 | R2 | R3 | R4 | R5 | K | T |
Peso Kilogramo |
| 310 | 310 | 212 | 731 | 652 | 38 | 212 | 684 | 462 | 342 | 231 | 148 | 140 | 195 | 15 | 32 | 276 |
| 360 | 360 | 214 | 788 | 704 | 40 | 211 | 688 | 164 | 344 | 232 | 146 | 138 | 192 | 15 | 34 | 305 |
| 400 | 400 | 216 | 832 | 750 | 44 | 2J6 | 692 | 470 | 346 | 235 | 144 | 131 | 185 | 20 | 36 | 344 |
| 450 | 450 | 218 | 886 | 802 | 46 | 218 | 696 | 474 | 348 | 237 | 142 | 132 | 182 | 20 | 38 | 385 |
| 500 | 500 | 220 | 940 | 854 | 48 | 220 | 700 | 478 | 350 | 239 | 140 | 130 | 180 | 20 | 40 | 422 |

Dibujo del tipo de JIS F 2017-1982 porque echa Panamá montada baluarte de acero ChocksShip que amarra el equipo
