|
Filtro de red localNúmero de la parte |
Los datos de los datos de los Estados miembros. |
|
Fabricante |
Enlace-PP |
|
Tasa de velocidad |
10G |
|
Número de puertos |
Puerto único |
|
Número de PIN |
Número de identificación |
|
Núcleos por puerto |
8 |
|
El POE |
No PoE |
|
El tipo |
El SMD |
|
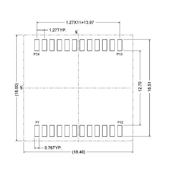
Tamaño |
18.1 x 16 x 6,2 mm |
|
Punto de pinchazo |
1.27 mm |
|
Circuitos |
3C+T |
|
Temperatura de funcionamiento |
-40 años.°C~ + 85 °C |
|
CMC |
El cable |
| Especificaciones eléctricas @25°C(Tipo: impedancia de paso bajo de equilibrio de 100Ω) | |
| Ratio de vueltas | 11 ± 5 por ciento |
| Inductividad | Las emisiones de gases de efecto invernadero de las instalaciones de ensamblaje de energía de la Unión se calcularán en función de las emisiones de gases de efecto invernadero de las instalaciones. |
| Prueba de HiPot | 1500 Vrs |
|
Pérdida de inserción |
1MHZ: -0,8 dB máximo 20 MHz:-0,8 dB máximo 50 MHz:-1,0 dB máximo 200 MHz:-1,2 dB máximo 400 MHz:-2,0 dB máximo 500 MHz:-3,0 dB máximo |
|
Pérdida de retorno |
1MHz:-20 dB Min carga 100Ω 100 MHz:-20 dB Min carga 100Ω 200 MHz:-18 dB Min carga 100Ω 300 MHz:-15 dB Min carga 100Ω 400 MHz:-10 dB Min carga 100Ω 500 MHz:- 8 dB Min carga 100Ω |
|
Conversión de CM reflejada a diferencia (REF) |
50 MHz:-30 dB Min 100 MHz:-27 dB Min 200 MHz:-24 dB Min 300 MHz:-22 dB Min 400 MHz:-21 dB Min 500 MHz:-20 dB Min |
|
Diferencia reflejada a conversión CM (REF) |
1 MHz:-48 dB Min 100 MHz:-33 dB Min 400 MHz:-24 dB Min 500 MHz:-24 dB Min |
|
Conversión de CM a DM (REF) |
50 MHz:-40 dB Min 100 MHz:-35 dB Min 200 MHz:-30 dB Min 300 MHz:-22 dB Min 400 MHz:-17 dB Min 500 MHz:-17 dB Min |
|
Atenuación de CM a CM |
1 MHz:-22 dB Min 500 MHz:-20 dB Min 800 MHz:-20 dB Min Las emisiones de CO2 son::-17 dB Min |
|
Habla en cruz |
1 MHz:-34 dB Min 350 MHz:-23 dB Min 500 MHz:-23 dB Min |
Información sobre el embalaje
400 piezas de productos terminados por carrete
3 carretes ((1200 piezas de productos terminados) por caja interior
2 cajas interiores ((2400 piezas de productos terminados) por cartón maestro



|
Los requisitos de seguridad de los equipos de mantenimiento de la aeronave |
Los requisitos de seguridad de los sistemas de seguridad de los Estados miembros |
Los datos de los datos de los Estados miembros. |
|
Los requisitos de seguridad de los equipos de inspección deberán cumplirse en todos los casos. |
Los requisitos de seguridad de los equipos de inspección deberán cumplirse en todos los casos. |
L22T009-3 |
|
L22T010-2 |
Los datos de los datos de los Estados miembros. |
Los datos de los datos de los Estados miembros. |
|
L22T017-3: el número de personas que se encuentran en el lugar de trabajo |
L22T019-3 |
Los datos de los datos de los Estados miembros. |
|
Los datos de los datos de los Estados miembros. |
Se aplicará a los productos de las categorías siguientes: |
Se aplicará el procedimiento siguiente: |