| Número de parte de Belfuse | G55-122N-155 |
| Número de parte de LINK-PP | LPxxxxxx |
| Fabricante | LINK-PP |
| Velocidad | 10G BASE-T |
| Número de puertos | Solo puerto |
| Montaje del tipo | Soporte del panel, a través del agujero |
| Corazones por puerto | 4 |
| Color del LED | Green&Yellow/Green&Yellow |
| Uso-Lan | Ethernet (no PoE) |
| El proteger | Sin blindaje |
| Temperatura de funcionamiento | -40°C ~ 85°C |
| Usted puede ser interesante en abajo ayudas consideradas: | ||||
| Ficha técnica | Petición por el correo electrónico a | |||
| Muestras | Libre | Gratis la entrega de las muestras, pls aconseja debajo de la información para el envío | ||
| Nombre de compañía | ||||
| Dirección de entrega | ||||
| Número de teléfono | ||||
| Persona de contacto | ||||
| CA de UPS/DHL/Fedex/TNT | (Si está disponible) | |||
| Producción de ensayo | U/P (USD) | $0.06-$3.2 | Podemos enviar hacia fuera pieza directamente a su almacén/a domicilio | |
| L/T (semanas) | Común | |||
| Término de envío | DAP/CIF/FCA/FOB | |||
| Producción en masa | U/P (USD) | Común | ||
| L/T (semanas) | Común | |||
| Término de envío | DAP/CIF/FCA/FOB | |||
| Lifecycel | Más de 20 años | Usted puede utilizar nuestras piezas para la consideración a largo plazo | ||
| Ratio del rechazo | Cero defectuoso (el 100% probado) | |||
| Servicios especiales | Accept modificó servicio para requisitos particulares | Accept revisó el diseño | ||
| Ahora usted puede entrarnos en contacto con inmediatamente | ||||

Dimensión vertical compatible del producto del enchufe Rj45 de Belfuse G55-122N-155 LINK-PP 10G:

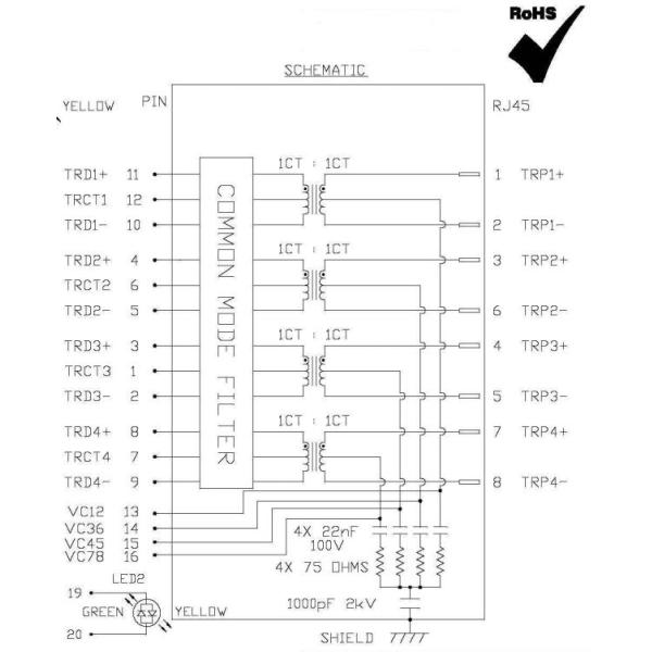
Diagrama esquemático ELÉCTRICO de las CARACTERÍSTICAS G55-122N-155:

Descripción G55-122N-155:
enchufe de 1.Belfuse G55-122N-155 10G Rj45
Conector vertical Rj45 de 2.G55-122N-155 10G
El enchufe vertical Rj45 de 3.G55-122N-155 10G con GY/GY llevó
enchufe vertical compatible Rj45 de 4.Belfuse G55-122N-155 LINK-PP 10G
Número de parte similar G55-122N-155:
| G55-122N-155 | J1V-U2100NL | RV8-ZZ-0026 |