Especificaciones
Número de modelo :
203352
Lugar del origen :
Guangdong, China
MOQ :
50/500/1000
Condiciones de pago :
TT, días NET30/60/90
Capacidad de la fuente :
3000000/mes
plazo de expedición :
Común
Detalles de empaquetado :
50 PC en 1 bandeja, 24tray en 1 cartón, que es 37*30*30 cm, 9KGS (1200 PC) de cada cartón
Spec :
203352
Cruz PN :
LPJG16313A31NL
Magnetics :
adentro
Aplicación :
10/100Base-T
Terminación :
Soldadura
LEDs :
Opcional
Blindado :
muestras :
libre
Descripción
Módulo magnético 203352 RJ45, solo enchufe del puerto a la gestión de datos en red inalámbrica
 
1.10/100 etiqueta-PARA ARRIBa de la base-TX RJ45 1x1 con el conector integrado del magnetics,
2.Through agujero RJ45 con Magnetics integrado
3. con o sin POE/POE (+)
área 4.Contact: Flash del oro
modelo 5.Old: 】 del 【203352
Pin 6.New&Equivalent al】 del 【LPJG17313A31NL del Pin
Módulo magnético 203352 RJ45, solo enchufe del puerto a la gestión de datos en red inalámbrica
Descripción
 
1X1-Rj45 con/sin el LED, encontrando IEEE 802.3u
1. Tipo de producto características:                                                  
  1) tipo = conector de producto  
  2) tipo de Jack = RJ45 
  3) perfil = estándar 
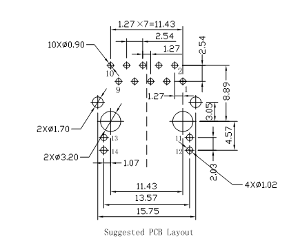
  4) orientación del montaje del PWB = entrada del lado (de ángulo recto)
2. Accesorio mecánico: 
  1) configuración de Jack = 1 x 1
3. Características eléctricas: 
  1) protegido = sí
4. Características relacionadas de la terminación:
  1) finger de la EMI - parte inferior = fuera
  2) método = soldadura de la terminación
5. Características relacionadas del cuerpo:
  1) la configuración del puerto = escoge/multi
  2) fingeres de la EMI - top y lados = con fuera
  3) orientación = estándar del cierre - cierre con picaporte
  4) longitud de la cola del PWB
6. Características relacionadas del contacto:
  1) cargado = sí
  2) tipo de la terminación del contacto = a través del soporte del agujero/de la superficie
7. Vivienda de características relacionadas:
  1) estilo = Jack del conector
8. Estándares industriales:
  1) conformidad de RoHS/ELV = RoHS obediente, ELV obediente 
  2) soldadura sin plomo de los procesos = de la onda de la soldadura capaz a 240°C,
      Soldadura capaz a 260°C, soldadura de la onda de la onda capaz a 265°C
      El Flujo-soldar opcional;
  3) la historia de la conformidad de RoHS/ELV = era siempre RoHS obediente
9. Sistema de marcas de identificación:
  1) color izquierdo del LED (posición #1) = verde - resistor de 250 ohmios
  2) color correcto del LED (posición #2) = verde - resistor de 250 ohmios
10. Condiciones para el uso:
  1) se aplica a = placa de circuito impresa
  2) condiciones ambientales = oficina/premisas
  3) temperatura de funcionamiento (°C) = 0 - 70/-40 - +85
11.Hipot:
     MINUTO 1500Vrms
 
Usos para el usuario terminal

 

Diseñó a los usos de ayuda, tales como módems de ADSL, LAN-en-placa madre. Equipos del establecimiento de una red y de comunicación tales como EJE, tarjeta PC, interruptor, router, PC Mainboard, SADO, PDH, teléfono del IP, módem de xDSL, soluciones del centro de atención telefónica, set-top box complejos, disposición de las entradas de VOIP, Border Gateway Protocol, interruptor rápido de Ethernet…
 
Ventaja competitiva
 
18 años de experiencia de la producción,
personal 2600,
prueba del 100%
Plazo de expedición flexible
 
Cliente principal
 
Diseñe para el Ti, Intel, Samsung, platija, Jabil, Flextronics, Cypress, Freescale, EKF .......
 
Uso del ccsme
 
Asamblea flexible incorporada del PWB; Asamblea Rígido-flexible del PWB; Microelectrónico, microprocesador de tirón; Microelectrónico, microprocesador a bordo; Asamblea optoelectrónica; RF/asamblea inalámbrica; A través de la asamblea del agujero; Asamblea de soporte superficial; Asamblea de sistema; Asamblea impresa de la placa de circuito
Envía tu mensaje a este proveedor
Envía ahora

Módulo magnético 203352 RJ45, solo enchufe del puerto a la gestión de datos en red inalámbrica

Pregunta el precio más reciente
Número de modelo :
203352
Lugar del origen :
Guangdong, China
MOQ :
50/500/1000
Condiciones de pago :
TT, días NET30/60/90
Capacidad de la fuente :
3000000/mes
plazo de expedición :
Común
Proveedor de contacto
Módulo magnético 203352 RJ45, solo enchufe del puerto a la gestión de datos en red inalámbrica
Módulo magnético 203352 RJ45, solo enchufe del puerto a la gestión de datos en red inalámbrica

LINK-PP INT'L TECHNOLOGY CO., LIMITED

Verified Supplier
13 Años
guangdong, huizhou
Desde 1997
Tipo de empresa :
Manufacturer, Exporter, Seller
Total anual :
100,000,000-$120 million
Número de empleados :
800~1000
Nivel de certificación :
Verified Supplier
Proveedor de contacto
Requisito de presentación