D126 1A1 Diamond Wheels 80m m para el pulido interno de los materiales del carburo
Brille las ruedas de diamante del diámetro de la forma 80m m del enlace 1A1 de la resina de los abrasivos para
Pulido interno del carburo, ruedas del CBN para el pulido interno de los materiales del HSS.
los agujeros internos hacen frente a la muela abrasiva de grinding.diamond para el pulido interno del carburo cementado
El dibujo de los abrasivos D126 1A1 Diamond Wheels del brillo 80m m para el pulido interno de los materiales del carburo

Especificaciones de los abrasivos D126 1A1 Diamond Wheels del brillo 80m m para el pulido interno de los materiales del carburo
| Material abrasivo: Diamante | Tipo en enlace: Resina |
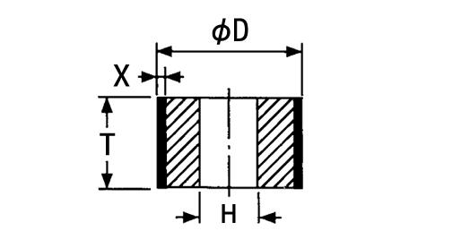
| Diamond Rim Size: 22x10m m | Diamond Grit: D126, |
| Concentración: 100% | Diámetro de rueda: 50m m |
| Grueso de la rueda: 22m m | Diámetro interior de rueda: 18m m |
| Tipo de la rueda: 1A1 | Peso de la rueda: 0.2kgs/PC |
Características de los abrasivos D126 1A1 Diamond Wheels del brillo 80m m para el pulido interno de los materiales del carburo
El diamante sintético de alta calidad o los abrasivos del CBN utilizó
Enlace y formulación optimizados de la resina
Una vida más larga del trabajo de la rueda.
Las ruedas con la buena afiladura y el buen final superficial pueden obtener
Disponible para los usos de pulido mojados o secos.
Pregunta.
¿Qué el interno está moliendo?
El pulido interno se utiliza principalmente para moler la superficie interna del agujero y su superficie del extremo con
Formas cilíndricas, cónicas u otras.
Las máquinas de pulir internas tienen clases de máquinas de pulir internas ordinarias,
máquinas de pulir internas planetarias, máquinas de pulir internas centerless,
máquinas de pulir coordinadas y máquinas de pulir internas especial.
Imagen del uso para la referencia
