el carril de la luz de 12 kg/m (ASCE 25) se utiliza para la línea ferroviaria de mina, el material es Q235, la longitud es 6 metros, estamos siempre en existencia y podemos ser enviados rápidamente. Los materiales y las longitudes especiales se pueden también producir a petición.
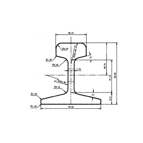
Especificación
Material: Q235
Peso: el 12.20Kg/m
Longitud: los 6m
| tipo | peso (kg/m) | material | longitud (m) |
| 12Kg | 12,20 | Q235 | los 6m |
| altura del carril (milímetros) | anchura inferior (milímetros) | anchura principal (milímetros) | thinkness de la web (milímetros) |
| 69,85 | 69,85 | 38,1 | 7,54 |
Dibujo
