Operación
Recomendado en el rango de tiempo: 50-500 ms
Tiempo recomendado entre pulsos: 1 minuto o más
Apto para
Aplicaciones de colectores de polvo, en particular para la limpieza de filtros de chorro de pulso inverso y sus variaciones, incluidas las bolsas
filtros, filtros de cartucho, filtros de envolvente, filtros de cerámica y filtros de fibra metálica sinterizada.
| Los fluidos | Filtrado |
| El diafragma | NBR: -20 ~ 120 °C |
| Vitón: -30 ~ 180 °C | |
| Nitrilo: -40 ~ 120 °C | |
| Rango de presión | De 0,5 a 7,5 bar |
| Cubierta | Aluminio fundido a presión |
| Cuerpo | Aluminio fundido a presión |
| Base del piloto | Las partidas de cobre y de cobre |
| El piloto | Acero inoxidable |
| El diafragma | El NBR |
| De otro tipo | Acero inoxidable |
| Disco de apoyo del diafragma | Acero inoxidable |
| Muelles de diafragma | Acero inoxidable |
Descripciones
La serie 200 es una gama de válvulas de diafragma adecuadas para aplicaciones de recolección de polvo, en particular para el reverso
limpieza de bolsas de filtro, cartuchos, filtros de envolvente, filtros de cerámica y fibra metálica sinterizada
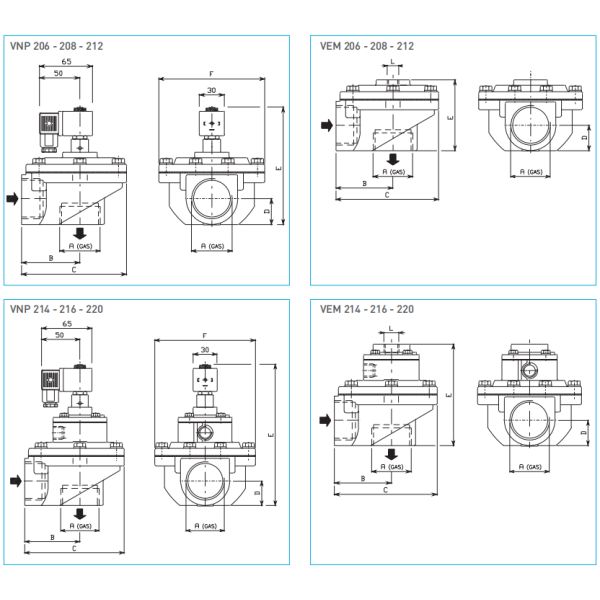
Las válvulas de la serie 200 tienen el puerto de entrada en 90° con respecto al puerto de salida.
El modelo de 1 1/2" está disponible en la versión única.
y las versiones de doble diafragma, mientras que las de 2", 2 1/2" y 3" son todas válvulas de doble diafragma.
El diseño garantiza un tiempo de apertura extremadamente rápido, altos caudales y una fácil instalación.
construidos en aluminio fundido a presión y con un tratamiento de protección anodizado que los protege de
Los tornillos y tornillos están hechos de acero inoxidable.
las siguientes versiones:
1. VPN, con piloto de solenoide integrado
2VEM, con conexión neumática remota.
| Modelo | FA | B. El trabajo | C. Las | D | - ¿ Por qué? | F: el precio | Peso en kg | Modelo | - ¿ Por qué? | FL | Peso en kg | Rango de presión | No, es Piaph. | |
| El MIN. | Max. ¿Qué quieres decir? | |||||||||||||
| VNP206 | 3/4 de pulgada | 41 | 75 | 18 | 119 | 60 | 0.55 | VEM206 | 59 | Un cuarto de pulgada | 0.25 | 0.5 | 7.5 | 1 |
| VNP208 | 1 " | 52 | 90 | 23 | 123 | 74 | 0.65 | VEM208 | 63 | Un cuarto de pulgada | 0.35 | 0.5 | 7.5 | 1 |
| VNP212 | 1 y media. | 72 | 130 | 31 | 153 | 135 | 1.4 | VEM212 | 93 | Un cuarto de pulgada | 1.1 | 0.5 | 7.5 | 1 |
| VNP214 | 1 y media. | 72 | 130 | 31 | 153 | 135 | 1.5 | VEM214 | 126 | Un cuarto de pulgada | 1.2 | 0.5 | 7.5 | 2 |
| VNP216 | 2 " por segundo | 90 | 165 | 35 | 206 | 160 | 2.5 | VEM216 | 146 | Un cuarto de pulgada | 2.2 | 0.5 | 7.5 | 2 |
| VNP220 | Dos pulgadas y media | 116 | 199 | 47 | 226 | 190 | 3.3 | VEM220 | 166 | Un cuarto de pulgada | 3 | 0.6 | 7.5 | 2 |


