El producto:IS200EACFG2ABB Panel de retroalimentación de la corriente de aire acondicionado de GE Exciter
Resumen del producto
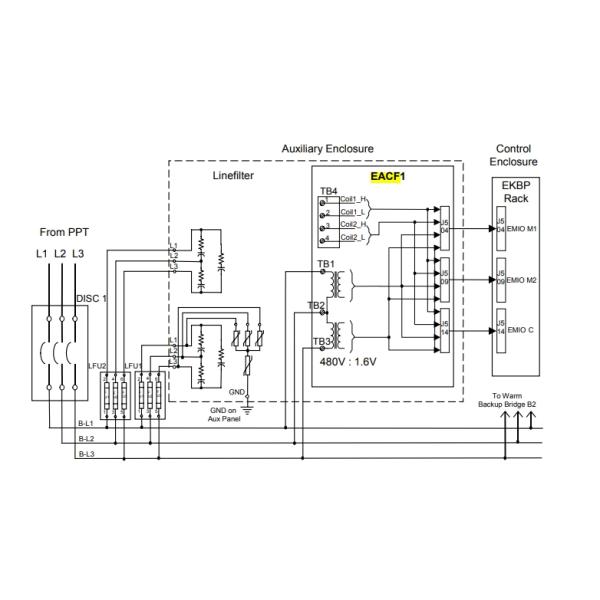
El IS200EACFG2ABB es un panel de retroalimentación AC Exciter desarrollado por GE. Es parte del sistema de excitación EX2100.
El panel de retroalimentación del excitador AC tiene la función de monitorear el voltaje y la corriente de alimentación del excitador PPT AC dentro del sistema de control.
Esta placa terminal está equipada con componentes especializados para medir con precisión estos parámetros y garantizar un rendimiento óptimo de excitación.
La placa EACF mide el voltaje y la corriente de alimentación del excitador de CA. La placa terminal contiene transformadores para una medición de voltaje de 3 fases y terminales para dos bobinas de núcleo de flujo / aire.
El cable entre el EACF y el plano trasero de control EBKP puede tener una longitud de hasta 90 m.Los tornillos terminales del cable de protección fijados en el chasis estarán situados a menos de tres pulgadas de los tornillos de entrada, cuando proceda..
Hay dos versiones de la placa de circuito, EACFG1 para entradas de hasta 480 V rms, y EACFG2 para entradas de hasta 1000 V rms.
Detalles de la entrega:
Garantía: 12 meses.
Tiempo de ejecución: 1 a 2 días hábiles.
Tipo de pago:T/T y Western Union.
Socios de mensajería: DHL, UPS, TNT, FedEx y EMS.
Especificación técnica, manuales y fichas de datos: disponible bajo petición.
Imagen:


Productos relacionados:
| Se aplicará el método de ensayo. |
| Se aplicará a los productos de la categoría II, incluidos los productos de la categoría III. |
| Se aplicará a los vehículos de las categorías IIa y IIIa. |
| Se aplicará el método de evaluación de los riesgos. |
| Se trata de un sistema de control de las emisiones de gases de escape. |
| Se trata de un sistema de control de las emisiones de gases de escape. |
| El número de unidades de seguridad de la unidad es el siguiente: |
| El número de personas a las que se refiere el apartado 1 del presente artículo será el siguiente: |
| Se aplicará a los productos de las categorías IIa y IIIa. |
| Se aplicará el método siguiente: |
| Se aplicará a los vehículos de la categoría M2 |
| Se trata de una prueba de la eficacia de los medicamentos. |
| Se aplicará el método siguiente: |
| Los datos de las pruebas de seguridad deberán estar disponibles en el sitio web de la autoridad competente. |
| Se aplicará el procedimiento siguiente: |
| Se aplicará el procedimiento siguiente: |
| Se trata de un sistema de control de las emisiones de gases de escape. |
| Se aplican las siguientes condiciones: |
| Se aplicará el procedimiento siguiente: |
| Se aplicará el método de evaluación de la calidad de los productos. |