Rodamientos de rodillos esféricos axiales esféricos del cojinete de empuje del rodillo de P6 P0 Gcr15
1215 características de los rodamientos del uno mismo que alinean 1215K,
1. trabajo duradero, alta precisión
2. De poco ruido, de alta velocidad
3. No fácil conseguir caliente
4. Alta resistencia de carga
1215 características que llevan,
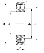
1. El uno mismo que alinea los rodamientos es un transporte de la fila del dobule que tienen instructure dos de cylinderical y del conicalhollowness.
2. Su alcantarilla externa es esférica y tiene alinear automático. El oso alinging de la bola del uno mismo el laod radial grande y también lleva cierta carga axial en el mismo tiempo.
3. Pero no puede llevar la carga axial pura. Es rodamiento de bolitas limitado de la velocidad y más bajo que profundamente del surco.
4. Minaly utilizó en el equipo electromecánico, la máquina de materia textil, el equipamiento médico y el otro uso de la transmisión.
¿POR QUÉ LOS E.E.U.U.?
1. Cita del relámpago.
2. Compra favorable de la muestra.
3. Producto siempre disponible al envío.
4. Un número que lleva con calidad llana multi con diverso precio para usted que elige.
¿Cómo garantía en calidad?
1. Muestra para usted que comprueba su calidad primero.
2. Reembolso de ofrecimiento 7days en caso de la mala calidad.
Rodamientos de rodillos esféricos axiales esféricos del cojinete de empuje del rodillo de P6 P0 Gcr15,
|
1215 jaula del acero de los rodamientos Gcr15 del uno mismo que alinea 1215K |
|||||
|
Diámetro interior cilíndrico |
Diámetro interior afilado |
d |
D |
B |
Peso total |
|
1201 |
1201K |
12 |
32 |
10 |
0,039 |
|
1202 |
1202K |
15 |
35 |
11 |
0,048 |
|
1203 |
1203K |
17 |
40 |
12 |
0,072 |
|
1204 |
1204K |
20 |
45 |
14 |
0,12 |
|
1205 |
1205K |
25 |
52 |
15 |
0,14 |
|
1206 |
1206K |
30 |
62 |
15 |
0,22 |
|
1207 |
1207K |
35 |
72 |
17 |
0,23 |
|
1208 |
1208K |
40 |
80 |
18 |
0,415 |
|
1209 |
1209K |
45 |
85 |
19 |
0,465 |
|
1210 |
1210K |
50 |
90 |
20 |
0,525 |
|
|
|
|
|
|
|
|
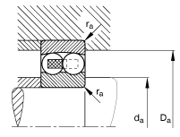
Parámetro del rodamiento de bolitas del uno mismo que alinea 1215 1215K |
||||||||||||||||||
|
d |
D |
B |
D1 |
DA máxima |
d1 |
minuto de DA |
ra máximo |
rmin |
m |
Cr |
e |
Y1 |
Y2 |
Corazón |
Y0 |
nG |
NOTA |
Cur |
|
75 |
130 |
25 |
114,1 |
121 |
93,7 |
84 |
1,5 |
1,5 |
1,34 |
39000 |
0,19 |
3,32 |
5,15 |
15500 |
3,48 |
5600 |
7400 |
950 |
|
|
||||||||||||||||||
Muestre las imágenes,

Rodamientos de rodillos esféricos axiales esféricos del cojinete de empuje del rodillo de P6 P0 Gcr15
Paquete
1. Los solos PP bag+ escogen la plataforma externa de la dureza carton+ del color box+
2. Solos Mulit-transportes de los PP bag+ en una plataforma del color box+
3. O Acoording al requisito de los cutomer de hacer.

Plazo de expedición,
1. Productos siempre avialable a enviar dentro de 7days después de la confirmación.
2. Para enviar por DHL, UPS, Fedex, TNT, el ccsme, sugeriremos cuál es el mejor para usted por el país diferente.
3. Por el aire, está para 100kgs o arriba.
4. Por el mar, está para que un orden grande del peso ahorre el coste.
5. FOBshanghai, Guangzhou, Ningbo, Tianjin es aceptable
La acción ahora, si usted necesita, recepción nos entra en contacto con para la lista de precios,
24hours en contacto del servicio.