TIPO 35 EXTREMO INOXIDABLE A DOS CARAS ESTUPENDO DE SOLDADURA DEL EN 1092-1 DEL TROZO DE LA TUBERÍA DE ACERO DEL ANILLO SS316L DEL CUELLO DE PN10 DN1400
| Composición química y propiedad mecánica para 316L | |||||||||||
| Acero Grado | Composición química | Funcionamiento mecánico | |||||||||
| C (Máximo) | Si (Máximo) | Manganeso (Máximo) | P (Máximo) | S (Máximo) | Ni | Cr | N (Máximo) | MES | Extensible Fuerza | Producción Fuerza | |
| (Minuto) | (Minuto) | ||||||||||
| Mpa | Mpa | ||||||||||
| 316L | 0,03 | 0,75 | 2 | 0,045 | 0,03 | 10.0-14.0 | 16.0-18.0 | 0,1 | 2.00-3.00 | 485 | 170 |
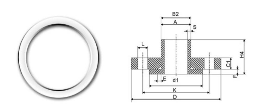
Tipo de soldadura 35 del EN 1092-1 del anillo PN10

| DN | d1 | H4 | F | S | SP | kilogramo | |
| 200 | 219,10 | 268 | 62 | 11 | 6 | 2,6 | 3,90 |
| 250 | 273,00 | 320 | 68 | 12 | 8 | 3,2 | 5,80 |
| 300 | 323,90 | 370 | 68 | 12 | 8 | 3,2 | 6,80 |
| 350 | 355,60 | 430 | 68 | 13 | 8 | 3,2 | 9,50 |
| 400 | 406,40 | 482 | 72 | 14 | 8 | 3,2 | 11,60 |
| 450 | 457,00 | 532 | 72 | 15 | 8 | 3,6 | 15,00 |
| 500 | 508,00 | 585 | 75 | 16 | 8 | 4 | 15,90 |
| 600 | 610,00 | 685 | 80 | 18 | 10 | 5 | 23,00 |
| 700 | 711,00 | 800 | 80 | 20 | 10 | 6,3 | 30,90 |
| 800 | 813,00 | 905 | 90 | 20 | 12 | 6,3 | 41,50 |
| 900 | 914,00 | 1005 | 95 | 22 | 12 | 8 | 50,00 |
| 1000 | 1,016, 00 | 1110 | 95 | 24 | 12 | 8 | 58,90 |
| 1200 | 1,219, 00 | 1330 | 115 | 26 | 16 | 10 | 93,20 |