Para el uso subacuático, mar profundo, hasta 200 metros de profundidad
1. La prueba antioxidante, anticorrosión y de sal de espray importada del transporte de acero inoxidable, puede alcanzar más de 192 horas, lejos más arriba que el nivel impermeable IP68.
2. El diseño de la patente del PWB de la independiente, extracción del alambre del PWB y de ventaja se incorporan al motor, que se puede utilizar para empaquetar y para solidificar el alambre de ventaja del punto de soldadura para los clientes y para ajustar directamente el alambre.
3. El eje se hace del acero inoxidable especial, del tratamiento térmico y del otro tratamiento antioxidante especial.
4. El disco magnético se hace del material resistente de alta temperatura del ndfeb, y la superficie se trata especialmente con impermeable y anticorrosión.
5. El estator se hace de materiales importados de Kawasaki, Japón, y su superficie se ha tratado especialmente con impermeable y anticorrosión.
6. La prueba de la balanza se realiza antes de cada motor sale de la fábrica, y el equilibrio es menos que 10mg.
7. Para facilitar la investigación y desarrollo del cliente y la prueba de los productos acuáticos y subacuáticos del equipo, nuestros personales del r&d diseñaron e imprimieron especialmente este tipo de paleta según el diseño independiente de la patente de mecánicos flúidos, para proveer de clientes esta necesidad de realizar la prueba favorable del motor del submarino SW2820.
|
| Modelo | Voltaje (V) | Ninguna carga | Carga clasificada | Parada | ||||||
| Rango de operación | Clasificado | Velocidad (RPM) | (a) actual | Esfuerzo de torsión (mNm) | Velocidad (RPM) | (a) actual | Salida P. (w) | Esfuerzo de torsión (mNm) | (a) actual | |
| 2216 | 3S~4S | 12 | 6300 | 0,34 | 170,3 | 3150 | 8 | 56,2 | 340,5 | 15,64 |
| 2216 | 3S~4S | 14,8 | 8120 | 0,38 | 208 | 4070 | 10,54 | 89 | 416,8 | 20,8 |
| 2216 | 3S~4S | 16 | 8951 | 0,41 | 226,7 | 4476 | 11 | 106,3 | 453,4 | 21,6 |
| 2216 | 3S~4S | 24 | 13000 | 0,62 | 329 | 6500 | 15,43 | 224 | 658,1 | 30,25 |
Nota: la carga clasificada antedicha se utiliza principalmente en bajo el agua
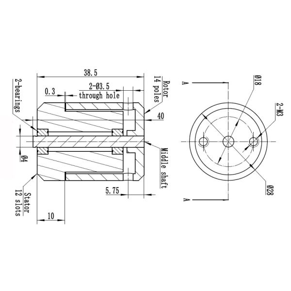
Dibujo de estudio:




Las muestras se embalan con la esponja de la espuma dentro de la caja de papel.
Para la producción en masa, los productos se embalan en cartón de papel.
Para el envío del mar (producción en masa), los cartones se embalan en la plataforma.
Tiempo de envío:
Por expreso (UPS Federal Express TNT de DHL): 5~12 días
Por 4PX expreso: 10~20 días
Envío del mar: 40~60 días (depende de los países diferentes)
