Controlador LED regulable de corriente constante de 36W de la serie Easy-use, 500mA a 1100mA opcional con regulación DALI2 y 5 años de garantía
1. Descripción
-Sin parpadeo para todo el rango de regulación
-Potencia en espera por debajo de 0,5W
-Regulación primaria con un botón pulsador
-Regulación secundaria con regulador de 1-10V
-Interfaz DALI integrada DT6
-Protección: cortocircuito / sobre temperatura / sobre voltaje
ONCompensación CLO
-Reducción de la corriente para alta temperatura ambiente
-pushDIM con la función de memoria
-5 años de garantía
2. Parámetros
| Entrada | Tensión de funcionamiento | 198-264Vac 50Hz/60Hz | ||||||
| Tensión nominal de entrada | 220-240Vac 50Hz/60Hz | |||||||
| Rango de tensión de entrada CC | 200-240Vdc | |||||||
| Corriente de entrada | 0.19A Máx. | |||||||
| Corriente de irrupción de entrada | <15A (Ancho de pulso de media corriente 100μs) @230Vac | |||||||
| Factor de potencia(@230V100% carga) | ≥ 0.95 | |||||||
| Distorsión armónica total | Típica:15% (@230Vac, 100% carga) | |||||||
| Potencia en espera | ≤0.5W (@230Vac cuando DALI se apaga) | |||||||
| Eficiencia(@230Vac,100% carga) | 88% Máx. | |||||||
| Método de cableado | Sección transversal del cable:0.75-2.5mm500 | |||||||
|
Disyuntor automático (Calcular la corriente en el cable) |
tipo | B10 | B13 | B16 | B20 | B25 | / | |
| Número | 20 | 25 | 35 | ON | ON | / | ||
| tipo | C10 | C13 | C16 | C20 | C25 | C32 | ||
| Número | 35 | 50 | ON | 75 | 95 | 120 | ||
| Salida | Modo de funcionamiento | Corriente constante | ||||||
| Tipo de carga | LED | |||||||
| Requisito de ondulación (Parpadeo o Sin parpadeo) | Valor de parpadeo: menos del 5% para todo el rango de regulación | |||||||
| Tiempo de arranque | <1s (@230Vac); <0.5s (@200Vdc) | |||||||
| Tensión de salida sin carga | 75V CC Máx. | |||||||
| Rango de tensión de salida de carga | 9-58V CC | |||||||
| Potencia de salida a plena carga | 36W Máx. | |||||||
| Corriente de salida de carga | 500-1100mA Para más detalles |
|||||||
| Precisión de corriente/tensión constante | Precisión de corriente constante ±5% | |||||||
| Método de cableado | Sección transversal del cable:0.75-1.5mm500 | |||||||
| Método de control | Regulación PUSH primaria | Regulación PUSH primaria (Longitud máxima del cable:20m) | ||||||
| Regulación DALI | Regulación DALI (Longitud máxima del cable:300m) | |||||||
| Regulación 1-10V(0-10V) | Regulación 0-10V(Corriente del puerto<1mA) sin función de apagado (Longitud máxima del cable:20M) |
|||||||
| Rango de regulación | 0%-100% | |||||||
| Excepción Protección Requisitos | Sobre temperatura de salida protección |
Sí, sin función de autorrecuperación (Se puede consultar) | ||||||
| Protección contra cortocircuitos de salida | Sí, sin función de autorrecuperación (Se puede consultar) | |||||||
|
Funcionamiento Entorno |
Temperatura/humedad de funcionamiento | -25℃~50℃ Humedad: 85% (Sin condensación) | ||||||
| Temperatura/humedad de almacenamiento | -40℃~80℃, Humedad: 85% (Sin condensación) | |||||||
| Temperatura máxima de la carcasa (Tc) | 85℃ | |||||||
|
Seguridad & EMC |
Estándar EMC | EN55015 EN61547 EN61000-3-2 EN61000-3-3 | ||||||
| Estándar del protocolo DALI | IEC62386-101 / 102 / 207 DT6 251 252 253 | |||||||
| Estándar de seguridad | EN61347-1 EN61347-2-13 | |||||||
| Certificación | CE, ENEC, UKCA | |||||||
| Tensión de resistencia | 3750Vac, 5mA, 60s (Entrada “L N”- Salida “SEC”) | |||||||
| Otros | Grados de protección | IP20 | ||||||
| Tipo de protección | Clase II | |||||||
| Tipo de instalación | Instalación independiente | |||||||
| Dimensión | 154*63*28mm | |||||||
| Función de memoria de apagado | Sí, memoria de apagado PUSH | |||||||
| Sincronización de regulación PUSH |
Paralelo: 15 unidades Máx. Serie: 25 unidades Máx. |
|||||||
| Requisito de embalaje | Bolsa de PE + caja blanca + manual + partición + caja exterior (K=A) | |||||||
| Peso | 173±5g | |||||||
| Vida útil | 5 años @Ta a plena carga | |||||||
| Nota: Todos los parámetros se prueban con una tensión de entrada de 230VAC y un entorno de 25 °C a menos que se especifique lo contrario. | ||||||||
-. Dimensión (Unidad:mm)


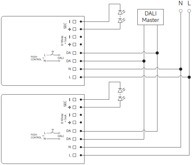
4. Diagrama de cableado

Fig. A DALI Regulación7.


Regulación 1-10VRegulación PushFig.7.

Regulación 1-10V5. Reducción de potencia6. Curva de regulación7.
Ajuste de la marcha de corriente

Corriente(mA)

DIPPomax(W)
| Uout(V) | 1 | 2 | 3 | ||||
| 4 | 500 | - | - | ||||
| - | ON | ON | ON | ON | 550 | A. Presione brevemente el interruptor PUSH (tiempo de pulsación corta 0,1s-1s), el controlador LED se encenderá o apagará. | ON |
| - | ON | 33 | ON | ON | 600 | A. Presione brevemente el interruptor PUSH (tiempo de pulsación corta 0,1s-1s), el controlador LED se encenderá o apagará. | ON |
| ON | ON | ON | 33 | ON | 650 | A. Presione brevemente el interruptor PUSH (tiempo de pulsación corta 0,1s-1s), el controlador LED se encenderá o apagará. | ON |
| ON | ON | 33 | 33 | ON | 700 | A. Presione brevemente el interruptor PUSH (tiempo de pulsación corta 0,1s-1s), el controlador LED se encenderá o apagará. | ON |
| ON | 33 | 33 | 33 | ON | 1100 | A. Presione brevemente el interruptor PUSH (tiempo de pulsación corta 0,1s-1s), el controlador LED se encenderá o apagará. | - |
| - | ON | ON | ON | 33 | 1050 | A. Presione brevemente el interruptor PUSH (tiempo de pulsación corta 0,1s-1s), el controlador LED se encenderá o apagará. | - |
| - | 33 | ON | ON | 33 | 1050 | A. Presione brevemente el interruptor PUSH (tiempo de pulsación corta 0,1s-1s), el controlador LED se encenderá o apagará. | ON |
| - | ON | 33 | ON | 33 | 1100 | A. Presione brevemente el interruptor PUSH (tiempo de pulsación corta 0,1s-1s), el controlador LED se encenderá o apagará. | ON |
| - | 33 | 33 | ON | 33 | 1050 | A. Presione brevemente el interruptor PUSH (tiempo de pulsación corta 0,1s-1s), el controlador LED se encenderá o apagará. | - |
| ON | ON | ON | 33 | 33 | 1000 | A. Presione brevemente el interruptor PUSH (tiempo de pulsación corta 0,1s-1s), el controlador LED se encenderá o apagará. | - |
| ON | 33 | ON | 33 | 33 | 1050 | A. Presione brevemente el interruptor PUSH (tiempo de pulsación corta 0,1s-1s), el controlador LED se encenderá o apagará. | ON |
| ON | ON | 33 | 33 | 33 | 1100 | A. Presione brevemente el interruptor PUSH (tiempo de pulsación corta 0,1s-1s), el controlador LED se encenderá o apagará. | ON |
| ON | 33 | 33 | 33 | 33 | 8. ENCENDIDO/APAGADO y Descripción del funcionamiento de la regulación | A. Presione brevemente el interruptor PUSH (tiempo de pulsación corta 0,1s-1s), el controlador LED se encenderá o apagará. | B. Regulación: Mantenga presionado el interruptor PUSH (1s-8s), el controlador LED puede lograr la regulación, el brillo o la regulación, el rango de regulación es 1-100%. |
C. Memoria: La regulación PUSH tiene una función de memoria de regulación.
D. Sincronización de regulación: La alimentación conectada al mismo interruptor PUSH se puede sincronizar manteniendo presionado el interruptor PUSH durante más de 15 segundos
E. Modo de regulación DALI: Conecte la fuente de alimentación al sistema DALI y se puede regular mediante el host DALI. El rango de regulación es 0-100%.
9
. asuntos que necesitan
A
tención1) La cadena de LED debe estar conectada a la carga antes de encender la alimentación de entrada, de lo contrario, la cadena de LED podría dañarse.2) Después de que la entrada del controlador LED se apague, habrá una tensión residual en la salida, que se puede mantener durante unos 3 minutos.