Con el uso comercial de la fabricación de Ring For del resbalón eléctrico del tamaño 96m m del agujero
Los anillos colectores huecos de la serie del eje producidos por la electrónica de CENO, se diseña principalmente para alimentar el gas y el canal líquido a través del tubo o para girar el eje del motor. Con el uso de dos ventajas, uno es utilizar el metal precioso avanzado como material del contacto para asegurar el trabajo confiable bajo fricción baja, la otra uso principal para la transmisión de las señales de la precisión, de la corriente actual, grande débil, y del alto voltaje.
Características
◆El transmitir del poder y de la señal de la ayuda
◆Integre la diversa señal
◆Alta confiabilidad, larga vida, fácil instalar
Usos
◆Equipo de la automatización
◆Simulador industrial del movimiento
◆Equipo del paquete
Opcional
◆Número de circuito
◆Grado actual
◆Grado de la protección del IP
◆Tipo de la señal
Especificación
| Especificación ECN096-06P3 | Imagen | |
| Actual | 6*15A | ![]() |
| Con tamaño agujereado | Ø96mm | |
| Grado de la protección | IP54 | |
| Velocidad de trabajo | 0~300rpm | |
| Material del contacto | Metal precioso | |
| Voltaje de clasificación | 380VAC | |
| Tamaño del alambre de ventaja | 300m m | |
| Vivienda del material | Aleación de aluminio | |
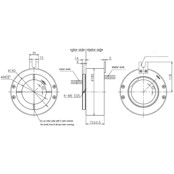
Dibujo de esquema

Q: ¿Usted ofrece diseño híbrido con la combinación eléctrica del canal y del canal del líquido o del aire?
Sí, el aire de CENO/la unión rotatoria flúida y el anillo colectando eléctrico se pueden integrar juntos en una solución completa. La solución puede para el líquido, el poder, la señal, y la transferencia de datos. Ofrecemos las asambleas estándar y las soluciones de encargo para cumplir sus requisitos exactos. Recepción para consultarnos con sus demandas.
Q: ¿Cómo montamos el anillo colectando hueco del eje en nuestra maquinaria?
Manera hueco del montaje del eje
1) la posición el anillo colectando en la ubicación deseada y aprieta igualmente ambos tornillos de presión al eje en cada extremo de la unión. Esfuerzo de torsión a 25 libras/pulgada.
2) ruta el cableado y hacer las conexiones necesarias. No permita que el cableado restrinja la rotación libre del anillo colectando.
3) posición un tornillo o un pasador (no suministrado) en el antirotación cuadro.
Manera del montaje del reborde
1) alinea los agujeros de montaje en el reborde con el montaje de la base e instalar lavadoras planas y el hilo que forman los tornillos (NO SUMINISTRADOS) para el plástico. Apriete con seguridad los tornillos.
2) ruta el cableado y hacer las conexiones necesarias. No permita que el cableado restrinja la rotación libre del anillo colectando.
3) posición un tornillo o un pasador (no suministrado) en el antirotación cuadro.
Ventaja de CENO
El miembro en dirigir al equipo tiene más de 10 años de experiencia en el campo del anillo colectando. Los operadores trabajan en el procedimiento crítico todo son calificados por el entrenamiento interno.
Por qué elija CENO
CENO es una tecnológico compañía en el campo del anillo colectando que dedica la investigación y desarrollo, la fabricación y ventas. Hemos avanzado los instrumentos del equipo y de la prueba de la alta precisión para asegurar calidad de los productos y funcionamiento confiable. El área de la instalación cubre 3000 metros cuadrados y localizada en China.
Honor
ISO9001, CE, RoHS, UL, a prueba de explosiones
El servicio CENO proporciona
Solución offerring para el sistema de la rotación 360°.
Producción total y modificada para requisitos particulares.
24 horas, servicio del consultor 7days.
Consúltenos con sus pedidos cualquier sistema de la rotación 360°. Le proporcionaremos un servicio de la parada oportuno respondemos sus investigaciones.