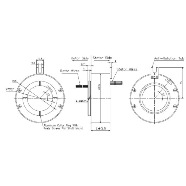
radar de φ70mm a través del anillo colectando del agujero con el eje y la vivienda de la aleación de aluminio
A través de diámetro interior o a través de los anillos colectores se proporcionan un agujero de centro para proporcionar las liquidaciones para los ejes, las juntas rotatorias, las óptica y otras estructuras axiales necesarios para la función de la asamblea giratoria. El tamaño estándar del agujero tiene diversa espec. a partir 12.7m m ~ 100m m.
Los anillos colectores proporcionaron un diámetro interior directo se crean para requisitos particulares y se fabrican para resolver el sobre mecánico disponible dentro del equipo o del nuevo equipo propuesto del diseño. Las características mecánicas pueden incluir los rebordes de montaje, los cuellos del eje, los anillos de perno, los engranajes de anillo u otras características.
Característica
Uso típico
Parámetro
| | Imagen | |
| Con tamaño agujereado | 70m m |
|
| Número de circuitos | 6,12,18,24 o más | |
| Velocidad de funcionamiento | 300rpm o más alto | |
| Grado actual | 5A, 10A, 15A/circuit | |
| Voltaje | 380VAC | |
| Fuerza dieléctrica | ≥ 1000V@50Hz | |
| Resistencia de aislamiento | 1000MΩ@ 500VDC | |
| Ruido eléctrico | 100 miliohmios de máximo. | |
| Temperatura de funcionamiento | -20~+60℃ | |
| Grado de la protección | IP54 | |
| Tamaño del alambre de ventaja | 5A- 22AWG | |
| Opción | • Longitud del alambre de ventaja | |
Dibujo de esquema

Q: ¿Usted ofrece diseño híbrido con la combinación eléctrica del canal y del canal del líquido o del aire?
Sí, el aire de CENO/la unión rotatoria flúida y el anillo colectando eléctrico se pueden integrar juntos en una solución completa. La solución puede para el líquido, el poder, la señal, y la transferencia de datos. Ofrecemos las asambleas estándar y las soluciones de encargo para cumplir sus requisitos exactos. Recepción para consultarnos con sus demandas.
Q: ¿Cómo montamos el anillo colectando hueco del eje en nuestra maquinaria?
Manera hueco del montaje del eje
1) la posición el anillo colectando en la ubicación deseada y aprieta igualmente ambos tornillos de presión al eje en cada extremo de la unión. Esfuerzo de torsión a 25 libras/pulgada.
2) ruta el cableado y hacer las conexiones necesarias. No permita que el cableado restrinja la rotación libre del anillo colectando.
3) posición un tornillo o un pasador (no suministrado) en el antirotación cuadro.
Manera del montaje del reborde
1) alinea los agujeros de montaje en el reborde con el montaje de la base e instalar lavadoras planas y el hilo que forman los tornillos (NO SUMINISTRADOS) para el plástico. Apriete con seguridad los tornillos.
2) ruta el cableado y hacer las conexiones necesarias. No permita que el cableado restrinja la rotación libre del anillo colectando.
3) posición un tornillo o un pasador (no suministrado) en el antirotación cuadro.
Ventaja de CENO
El miembro en dirigir al equipo tiene más de 10 años de experiencia en el campo del anillo colectando. Los operadores trabajan en el procedimiento crítico todo son calificados por el entrenamiento interno.
Por qué elija CENO
CENO es una tecnológico compañía en el campo del anillo colectando que dedica la investigación y desarrollo, la fabricación y ventas. Hemos avanzado los instrumentos del equipo y de la prueba de la alta precisión para asegurar calidad de los productos y funcionamiento confiable. El área de la instalación cubre 3000 metros cuadrados y localizada en China.
Honor
ISO9001, CE, RoHS, UL, a prueba de explosiones
El servicio CENO proporciona
Solución offerring para el sistema de la rotación 360°.
Producción total y modificada para requisitos particulares.
24 horas, servicio del consultor 7days.
Consúltenos con sus pedidos cualquier sistema de la rotación 360°. Le proporcionaremos un servicio de la parada oportuno respondemos sus investigaciones.