Las medidas de seguridad se aplicarán en el caso de los vehículos de motor de las categorías A y B.3/h) Bomba de vacío rotativa de válvulas sellada por aceite de doble etapa para el sistema de recuperación SF6
Cuando el rango de temperatura ambiente es inferior a 40 °C, la presión de entrada de aire es inferior a 1300 Pa. Se permite un funcionamiento continuo a largo plazo.la válvula de lastre de gas debe abrirse.
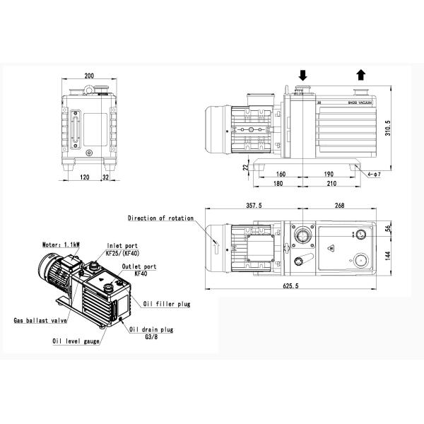
Datos técnicos
| Unidades | El BSV90 | ||
| Tasa de bombeo | 50 Hz | m3h- ¿Qué es?/ Un minuto- ¿Qué es? | 90/1500 |
| 60 Hz | 108/1800 | ||
| El último vacío | Sin lastre de gas | Pa/ mbar | 0.5/5×10- ¿ Qué pasa? |
| Las demás máquinas y aparatos | 2/2 por 10- ¿ Qué pasa? | ||
| Entrada y salida | KF40 | ||
| Ventajas | KF40 | ||
| Necesidades de petróleo | Litrado | 4 | |
| Nivel de ruido | Db | 65 | |
Aplicación
Metalurgia al vacío
Revestimiento de película fina
Secado por congelación
Curva de rendimiento

Las dimensiones
El BSV60[90]
