Amortiguaciones de aire con resorte industriales de goma enrolladas doble de Juice Extraction Presses Air Bag 2B7×7 G1/4 M10
Especificaciones y parámetros técnicos
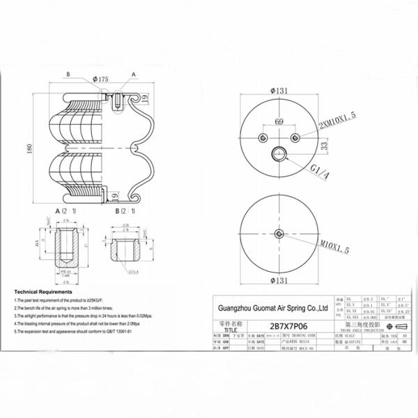
Bramidos de dos capas
Entrada de aire: G1/4, compensación, 33m m lejos de la distancia de centro del tornillo
Nueces ciegas en la placa superior: 2pcs × M10×1.5
El centro del tornillo en la placa superior: 69m m
Nueces ciegas en la chapa fonda: 1pc× M10× 1,5
Diámetro de la placa de la cubierta superior: 131m m
Diámetro inferior de la tapadera: 131m m
Diámetro de goma del bramido: 175m m
Altura: 180m m
Aro de la faja: Sin
Tope de goma del bloque de parachoques: Una pieza
Requisitos técnicos
el requisito de la prueba de la cáscara 1.The del producto es ≥25KG/F:
la vida del banco 2.The de la amortiguación de aire con resorte es más de 3 veces del milion;
el funcionamiento hermético 3.The es que la caída de presión en 24 horas es menos que 0.02Mpa
4.The que arruina la presión interal del producto no será más bajo que 2.0Mpa
la prueba y el aspecto de la extensión 5.The deben ajustarse a GB/T 13061-91
El otro tipo
|
GUOMAT no. |
Referencia |
Detalles del producto |
|
2B7×7 |
CONTITECH: FD120-17 |
Entrada de aire: 1/2NPT, compensación Nueces ciegas en la placa superior: 2pcs×3/8-16UNC Nueces ciegas en la chapa fonda: 1pc×3/8-16UNC Desviación (minuto de la altura): 65m m Movimiento de trabajo: 165m m |
|
2E7X7P01 |
|
Entrada de aire: 1/4NPT, compensación Nueces ciegas en la placa superior: 2pcs×M8×1.25 Nueces ciegas en la chapa fonda: 1pc×M8×1.25 Desviación (minuto de la altura): 65m m Movimiento de trabajo: 165m m |
La amortiguación de aire con resorte se puede utilizar en prensas de la extracción del jugo
La prensa consiste en las amortiguaciones de aire con resorte, marco, superior y ejes impulsores más bajos, conjunto impulsor de la desaceleración, montaje del rodillo de la prensa, correa de la prensa de filtro, montaje de limpieza de la correa, asamblea de alimentación, dispositivo tensor, montaje de la corrección de la correa, dispositivo del aumentador de presión, dispositivo de protección de la seguridad, se compone del dispositivo de control gas-eléctrico, del dispositivo del filtro de agua de limpieza, del etc.
La amortiguación de aire con resorte se llena de aire comprimido en un envase sellado, y utiliza la compresibilidad del gas para alcanzar su efecto elástico. Las amortiguaciones de aire con resorte tienen características elásticos no lineales ideales.
Tensión de la correa de la prensa de filtro: La amortiguación de aire con resorte de goma se utiliza para tensir automáticamente la correa, que es no sólo estable pero también evita sobrecarga, seguro y confiable, y se equipa de una retransmisión de la presión, que puede parar automáticamente con seguridad y realizar la automatización del proceso entero. Durante el proceso acuciante, cada uno de las correas superiores y más bajas del filtro se equipa de un rodillo de guía y de una desviación que corrigen la válvula neumática, y las amortiguaciones de aire con resorte de goma en ambos lados se cargan y se agotan automáticamente para corregir automáticamente la desviación de la correa del filtro.
Imagen del saco hinchable
