Flanged Sight Glass es un tipo de vidrio de vista industrial que está diseñado para su uso en tuberías y recipientes para proporcionar una visión clara del proceso en el interior.Se utiliza principalmente en industrias como la química., farmacéutica, alimentos y bebidas, y petróleo y gas.
Las demás:El vidrio de visualización con brida está equipado con juntas de alta calidad hechas de PTFE (politetrafluoroetileno) y PPL (polipropileno).garantizar la seguridad y fiabilidad del proceso.
Presión:El vidrio de visión con brida puede soportar presiones de hasta 0,6Mpa y 4,0Mpa, por lo que es adecuado para diversas aplicaciones industriales.
Estándar:Nuestro vidrio de visión con brida se fabrica de acuerdo con varios estándares internacionales, incluidos GB, ANSI, DIN y JIS10K.Esto garantiza la compatibilidad e intercambiabilidad con diferentes sistemas y componentes.
Material del cuerpo:El disco de vidrio de visión con brida está hecho de materiales de alta calidad como CF8, CF3, CF8M, 904L y WCB. Estos materiales ofrecen una excelente resistencia a la corrosión y durabilidad,hacer que el vidrio de la mira sea adecuado para su uso en ambientes industriales adversos.
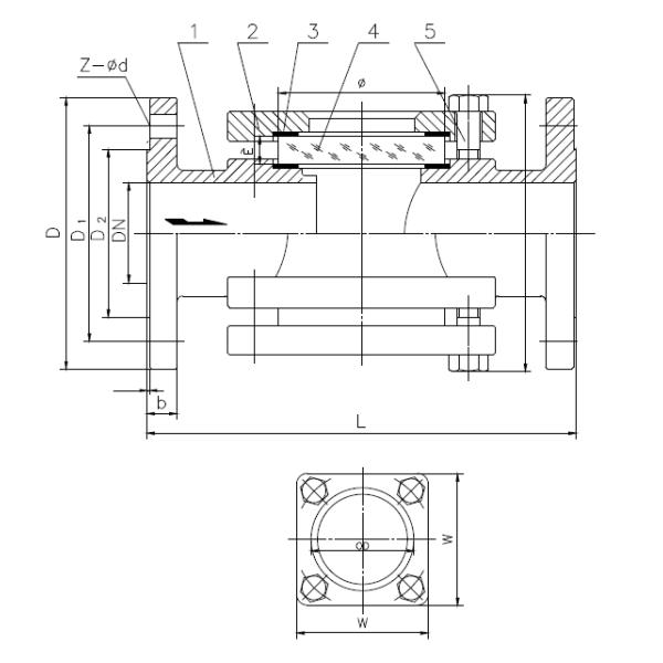
Tipo de conexión:El vidrio de visión con brida está diseñado con una conexión con brida, lo que permite una fácil instalación y mantenimiento.La conexión con brida también proporciona una conexión segura y a prueba de fugas para el vidrio de visión.
En resumen, el vidrio de visualización con flanges es una solución fiable y eficiente para el monitoreo y control de procesos en tuberías y recipientes industriales.y la compatibilidad con las normas internacionales lo convierten en una opción preferida para las industrias de todo el mundoElige las gafas de visión con flexión para una visión clara de tu proceso y paz mental.


CXDLV
SG-ZT
China.
Las demás
Nuestras gafas de visión con brillo son altamente personalizables para satisfacer sus necesidades específicas.y opciones de sellado para crear el cristal de visión con brida perfecto para su aplicaciónCon el modelo SG-ZT de CXDLV, puede confiar en la calidad y confiabilidad de nuestros productos.Nuestras gafas de visión de flancos están construidas para cumplir con sus especificaciones exactas y superar sus expectativas.. Elija CXDLV para sus necesidades de gafas de visión con flancos.
El vidrio de visión con brillo está en una caja de cartón resistente para garantizar un transporte seguro.El vidrio también está envuelto en envoltura de burbujas para una protección adicional contra cualquier daño potencial durante el envío.
El vidrio de visión con brida se envía por vía aérea o marítima, dependiendo de la preferencia y la ubicación del cliente.Trabajamos con compañías de envío confiables y experimentadas para garantizar la entrega oportuna y segura del productoEl coste de envío se calculará en función del destino y el peso del paquete.
Para los envíos internacionales, se incluirán todos los documentos aduaneros y de exportación necesarios para facilitar el despacho sin problemas en el destino.También ofrecemos la opción de utilizar la compañía de envío o servicio de mensajería preferida del cliente para mayor comodidad.
Tras el envío, el cliente recibirá un número de seguimiento para controlar el estado de su pedido.Nuestros procesos de embalaje y envío están diseñados para asegurar que el vidrio de visión flangado llegue a su destino en perfectas condiciones.
R: La marca de este producto es CXDLV.
R: El número de modelo de este producto es SG-ZT.
R: Este producto es fabricado en China.
R: El material de este producto es acero con bridas.
R: Este producto puede soportar una presión máxima de 10 bares.