Introducción:
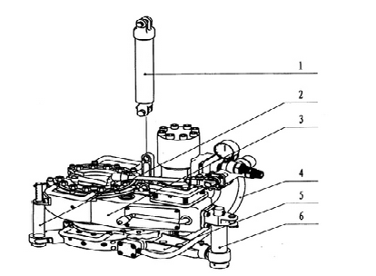
Descripción: Las pinzas de la energía hydráulica de XQ28/1.8Y ofrecen un diseño de la abierto-garganta que proporcione maquillaje rápido, conveniente y explotan de conexiones roscadas de la lechón-barra en proceso de bien-mantenimiento. Las pinzas principales son conducidas por un motor hidráulico de lento-giro que entregue el alto esfuerzo de torsión. Las válvulas direccionales manuales se hacen juego directamente para arriba con el motor para el control de movimiento. La instalación entera es ligera, compacta y fácil de llevar.
Las pinzas de reserva hidráulicas vienen así como las pinzas principales confirmar las pinzas de la combinación. Vía el funcionamiento del valor dicho del control direccional, las pinzas de respaldo sincronizarían con las pinzas principales en el refuerzo o el aflojamiento de la barra de lechón. Las pinzas principales y las pinzas de reserva están del rollo negativo de la comba que sube el mecanismo de fijación con abrazadera bidireccional. Para invertir la rotación de estas pinzas, los usuarios necesitan solamente volver los botones en ellos. Los dados de las pinzas están también disponibles en diversas especificaciones caber las lechón-barras o los tubos de aceite diversos. Además, nuestras pinzas hidráulicas de la tubería pueden actuar a o la una de dos velocidades para los movimientos que mueven de un tirón y giratorios. Esto permite rendimiento laboral mejorado.
Especificación:
| Gama aplicable milímetros (adentro) |
Lechón Rod CYG 16-28 (16,19,22,25,28) 5/8-1 1/8 (5/8,6/8,7/8,1,1 1/8) Diámetro exterior de la tubería Φ48~60 (1 7/8~2 3/8) |
| Max. Torque en la marcha alta kN.m (pie-libras) | 0.7(516) |
| Max. Torque en el engranaje bajo kN.m (pie-libras) | 1.8(1328) |
| Max. Speed en la marcha alta (r/min) | 104 |
| Max. Speed en el engranaje bajo (r/min) | 40 |
| Mpa máximo de la presión de trabajo (PSI) | 10(1450) |
| Suministro de petróleo máximo l/min (gpm) | 65 (17,2) |
| Tong Opening Size milímetros (adentro) | 63 (2 1/2' ‘) |
| Dimensión total de las pinzas de la combinación | 543×334×404m m (21,4' ‘×13’ ‘×16’ ‘) |
| Capacidad de las pinzas kilogramo (libras) hydráulica de la energía | 95(210) |

