Válvula de control neumática de aluminio de flujo, válvula de lanzadera del aire G1/8” - G1”
Cuerpo de válvula material de aluminio del tamaño G1/8~G1 del puerto de la válvula de lanzadera de la serie del ST e.g ST-02
Detalle rápido:
* válvula de lanzadera de la serie del ST
* aleación de aluminio material del cuerpo
* tamaño portuario G1/8”, G1/4”, G3/8, G1/2”, G3/4”, G1”
* diseño compacto, pequeño volumen
* operación fácil, sensible Respond
* directamente montaje de la junta de tubo, fácil y conveniente
* diseño estable, vida serive larga
Usos:
Función de la válvula de lanzadera de la serie del ST como cosechadora de la válvula de control dos junto, es extensamente uso en el circuito de lógica o el circuito del programa, la dirección del aire puede ser determinado por a elección por la presión, cuando abierto portuario y no retorno, otro puerto del positivo uno del diferencial de presión cerrado, cuando la negativa del diferencial de presión, la función de la acción será invertida.
Especificaciones:
Válvula de lanzadera de la serie del ST
Aleación de aluminio material del cuerpo
Tamaño portuario G1/8” ~G1”
Anodiz del hardcoat del tratamiento superficial


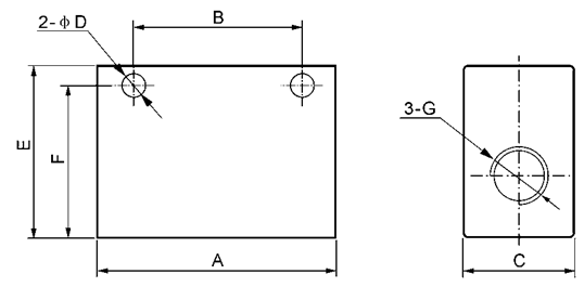
| Modelo/símbolo |
| B | C | D | E | F | G |
| ST-01 | 40 | 24 | 16 | 4,5 | 25 | 20,5 | G1/8” |
| ST-02 | 50 | 35 | 22 | 5,5 | 35 | 25 | G1/4” |
| ST-03 | 75 | 48 | 30 | 7 | 50 | 42 | G3/8” |
| ST-04 | 75 | 48 | 30 | 7 | 50 | 42 | G1/2” |
| ST-06 | 110 | 72 | 40 | 7 | 70 | 58 | G3/4” |
| ST-08 | 110 | 72 | 40 | 7 | 70 | 58 | G1” |
Válvula neumática, válvula de lanzadera, válvula de control del control de flujo