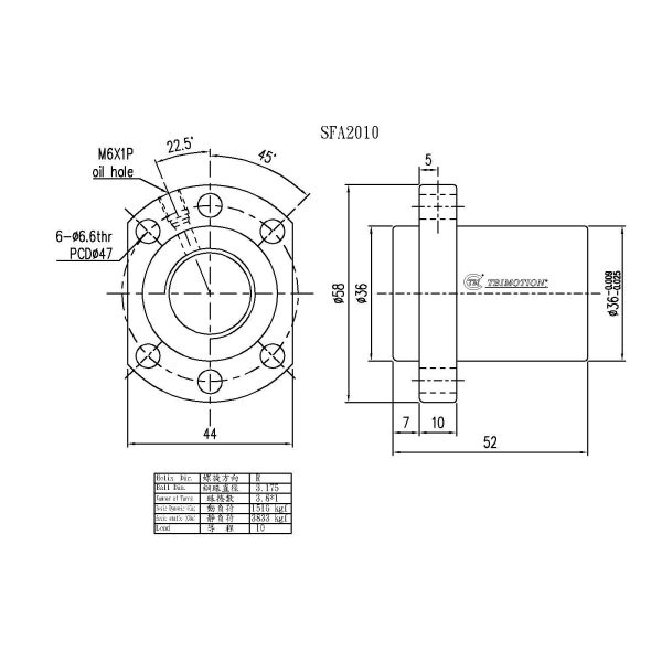
El husillo de bolas telescópico TBI SFA2010 de 20 mm ofrece un rendimiento robusto de movimiento lineal, diseñado específicamente para aplicaciones exigentes de equipos de perforación donde la transmisión de potencia y la precisión son igualmente críticas. Este conjunto de husillo de bolas especializado proporciona el alcance extendido y la retracción compacta necesarios para operaciones de perforación versátiles, manteniendo la rigidez requerida para un posicionamiento preciso de la broca. El diseño telescópico permite una optimización eficiente de la longitud de la carrera en máquinas de perforación con espacio limitado, desde unidades portátiles hasta plataformas industriales a gran escala. Diseñado para manejar las cargas axiales y la vibración inherentes a las operaciones de perforación, la construcción reforzada del husillo asegura un rendimiento estable tanto durante los modos de perforación por percusión como rotatorios. Las superficies rectificadas con precisión y el sistema optimizado de circulación de bolas mantienen velocidades de avance constantes incluso bajo resistencia de corte variable, contribuyendo a la calidad del agujero y a la vida útil de la herramienta. Los sellos especializados protegen los componentes internos del polvo abrasivo, las virutas y la exposición al refrigerante comunes en los entornos de perforación, extendiendo los intervalos de servicio. El diseño térmicamente estable previene variaciones de rendimiento durante el funcionamiento continuo, asegurando un control de profundidad confiable durante ciclos de trabajo prolongados. Desde plataformas de perforación petroleras hasta máquinas de perforación de PCB de precisión, este husillo de bolas telescópico proporciona el movimiento lineal confiable en el que los fabricantes de equipos de perforación confían para un rendimiento consistente en condiciones de operación desafiantes. La experiencia de TBI en el control de movimiento de servicio pesado es evidente en la capacidad de este husillo para equilibrar la alta capacidad de empuje con un funcionamiento suave, lo que lo hace ideal para aplicaciones donde la precisión de perforación y la durabilidad del equipo impactan directamente en la productividad.




⑥Foto del producto real




