La sustancia química modifica la caja de guantes para requisitos particulares con el sistema de la purificación del gas para el uso del laboratorio con el cuerpo dos
Uso:
El sistema de la purificación de la caja y del gas, forma un ambiente sellado, llenado del gas inerte o del nitrógeno a los gabinetes, y la circulación para quitar las sustancias activas internas, permitiendo el sistema mantenga siempre la alta limpieza y la pureza elevada ambiente del gas inerte (el agua, oxígeno es equipo al 1 PPM abajo)
Principalmente para O2, clarodeH2O
Ventajas:
Ambiente anhidro, anaerobio y limpio, ultra-limpio del trabajo
El R&D y la producción de las baterías y de los materiales de la batería (batería de ión de litio, batería, célula solar, el fosfato del hierro del litio, etc.)
El R&D y la fabricación de lámparas especiales: Lámparas OCULTADAS, haluro del metal, haluro de cerámica del metal.
R&D/University
Soldadura: soldadura de resistencia, soldadura de TIG, soldadura de laser, soldadura del plasma, soldando.
R&D de OLED/OPV y producción.
El desarrollo y la producción de suministros médicos, productos farmacéuticos
Desarrollo y producción del condensador estupendo.
Sustancias químicas finas, industria nuclear, militar
La nueva energía y el nuevos desarrollo y producción de los materiales.
DIMENSIONES DE LA CAJA DE GUANTES
Soper tiene muchos tamaños estándar de la guantera, simple o doble echado a un lado a diverso uso.
Tamaño de la longitud

SSLX-2
 
SSLX-3
 
   
SSLX- /760 SSLX- /100

SSLX-4

SSLX-4I (combinación del módulo)
| Modelo | 
			 Tamaño de gabinete (milímetros) L×W×H  | 
			El tamaño total del equipo (milímetro) L×W×H | 
| SSLX-2 | × 1220 del × 760 900 | × 1935 del × 800 1000 | 
| SSLX-3 | × 1500 del × 760 900 | 2215 × 1000 del × 800 | 
| SSLX-4 | × 1900 del × 760 900 | 2615 × 1000 del × 800 | 
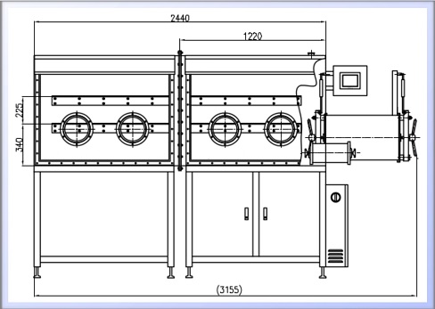
| SSLX-4I | 2440 × 900 del × 760 | 3155 × 1000 del × 800 | 
| SSLX-8I | 4880 × 900 del × 760 | 5595 × 1000 del × 800 | 
| SSLX-2D | × 1220 del × 1000 900 | × 1935 del × 1000 1000 | 
| SSLX-3D | × 1500 del × 1000 900 | × 1000 de 2215 × 1000 | 
| SSLX-4D | × 1900 del × 1000 900 | × 1000 de 2615 × 1000 | 
Especificación  
| Modelo | 
			 Tamaño de gabinete (milímetros) L×W×H  | 
			El tamaño total del equipo (milímetro) L×W×H | 
| SSLX-2 | × 1220 del × 760 900 | × 1935 del × 800 1000 | 
| SSLX-3 | × 1500 del × 760 900 | 2215 × 1000 del × 800 | 
| SSLX-4 | × 1900 del × 760 900 | 2615 × 1000 del × 800 | 
| SSLX-4I | 2440 × 900 del × 760 | 3155 × 1000 del × 800 | 
| SSLX-8I | 4880 × 900 del × 760 | 5595 × 1000 del × 800 | 
| SSLX-2D | × 1220 del × 1000 900 | × 1935 del × 1000 1000 | 
| SSLX-3D | × 1500 del × 1000 900 | × 1000 de 2215 × 1000 | 
| SSLX-4D | × 1900 del × 1000 900 | × 1000 de 2615 × 1000 | 
Cámara principal de la caja de guantes
| Material | Tipo 304, grueso 3m m del acero inoxidable (11 indicador y 1/8' ‘) | 
| Superficie externa | Pintura blanca | 
| Dimensión interior | 
			 ·Longitud: 1220mm/1500mm/1900mm/2440m m 48,0' ‘/59,1" ‘/74,8" ‘/96,0" ‘ ·Profundidad: 750mm/1100m m 29,5' ‘/39,4" ‘ . Altura: 900mm/35,4' ‘  | 
		
| Ventana de la vista | Ventana de la seguridad, grueso 10mm/0,4' ‘ | 
| Puerto de los guantes | POM (Polyoxymenthylene), sello doble del anillo o, 190mm/4' ‘diámetro | 
| Guantes | Butilo, 7' ‘o 8" ‘diámetro del puño, 0,015"’, grueso 0,015" ‘, longitud 32" ‘ | 
| Filtro del polvo | HEPA 0,3 m, una entrada del gas, un mercado del gas. | 
| El dejar de lado | Material del acero inoxidable, dos estantes | 
| Luz de la caja | Lámpara, delantero fluorescentes y superior montado | 
| Alimentación-conexión | DN40KF, una alimentación-conexión del cable eléctrico, 3-4 rebordes ciegos espera | 
Antecámara principal
| Tamaño | Diámetro: longitud 600m m (23,6" de 385m m (15,2 ' ‘) ‘) | 
| Material | Acero inoxidable SS304 | 
| Superficie externa | Pintura blanca (acero inoxidable cepillado disponible) | 
| Superficie interna | Acero inoxidable cepillado | 
| Desplazamiento de la bandeja | Acero inoxidable SS304 | 
| Puerta doble | 
			 Aleación dura, 10m m grueso (0,4' ‘); Operación vertical  | 
		
| Manómetro | Exhibición análoga | 
| Operación | 
			 Pantalla táctil Operación automática vía las válvulas electromagnéticas  | 
		
Mini antecámara
| Tamaño | 
			 Diámetro: 168m m (6,6' ‘) o 115m m (4,5" ‘) Longitud 300m m (11,8 ' ‘)  | 
		
| Material | Acero inoxidable SS304 | 
| Superficie externa | Pintura blanca (acero inoxidable cepillado disponible) | 
| Superficie interna | Acero inoxidable cepillado | 
| Puerta doble | Articulado (puerta doble entrelazada disponible) | 
| Manómetro | Exhibición análoga | 
| Operación | 
			 Pantalla táctil Operación automática vía las válvulas electromagnéticas  | 
		
Sistema de la purificación del gas
El sistema de la purificación del gas conecta con el envase del sello, equipo, línea de productos, para ser un ambiente de ciclo. Los sistemas de la purificación purifican el gas inerte en la columna para no alcanzar ninguna agua y ningún ambiente del oxígeno.
El sistema incluye la sola columna de la purificación, columna doble de la purificación, las columnas totalmente automáticas y multi y otros muchos sistemas de la purificación de las clases y de los estándares. El sistema de la purificación del gas de SOPERSL® diseñado para los módulos independientes de la actividad se puede utilizar conjuntamente con de la caja de guantes.
| Purificador | |
| Función | Acero hermético, retiro de H2O y O2 a la humedad y al oxígeno de menos de 1 PPM | 
| Material del envase | Acero inoxidable 304 | 
| Material del amortiguador | 
			 catalizador del cobre 5kg tamiz molecular 5kg  | 
		
| Capacidad | 
			 oxígeno 60L humedad 2Kg  | 
		
| Pureza alcanzable | ≤1ppm | 
| Circulación del gas | |
| Gas de trabajo | Nitrógeno, argón o helio | 
| Ventilador encapsulado | 90m3/h | 
| Regeneración | |
| Operación | PLC controlado automáticamente | 
| Regeneración | gas de trabajo mezclado con el hidrógeno 5-10% | 
| Modelo | Descripción | Tamaño de la caja (L W H) milímetro | 
| SLGP-1 | Solo | 700 × 700×860 | 
| SLGP-2 | Doble | 
			 900 × 700×860  | 
		

Condiciones de trabajo e indicadores de funcionamiento
| Fuente de alimentación | 220V (CA) 50HZ | 
| Poder máximo | ≈3000W | 
| Gas | el gas de trabajo: N2, AR, él gas de etc.inert | 
| gas del control: aire comprimido o gas inerte | |
| Reducción del gas: gas de trabajo mezclado del hidrógeno (H2). | |
| 
			 Contenido en agua de los gabinetes en el caso estándar (Nota: El caso estándar es una presión atmosférica, una temperatura constante de 20 grados)  | 
			≤1ppm | 
| 
			 Contenido en oxígeno de los gabinetes en el caso estándar (Nota: El caso estándar es una presión atmosférica, una temperatura constante de 20 grados)  | 
			≤1ppm | 
| withstand del bolsa de aire un valor mínimo del vacío | ≥100pa | 
| La tarifa del escape | ≤0.001Vol%/h | 
Comenta: El precio incluye la bomba del &Vacuum de la punta de prueba del &Oxygen de la punta de prueba del &Water del sistema de la purificación
Accesorios estándar: Marca
PLC y pantalla táctil: Alemania SIEMENS
Punta de prueba del agua: AII americano
Punta de prueba del oxígeno: MICHELL británico
Bomba de vacío: Japón ULAVC