Herramienta de la cuña | Herramienta de la cuña de IEC60601-2-52-Figure CC.1

Material: Aluminio
Peso: 3,34 kilogramos
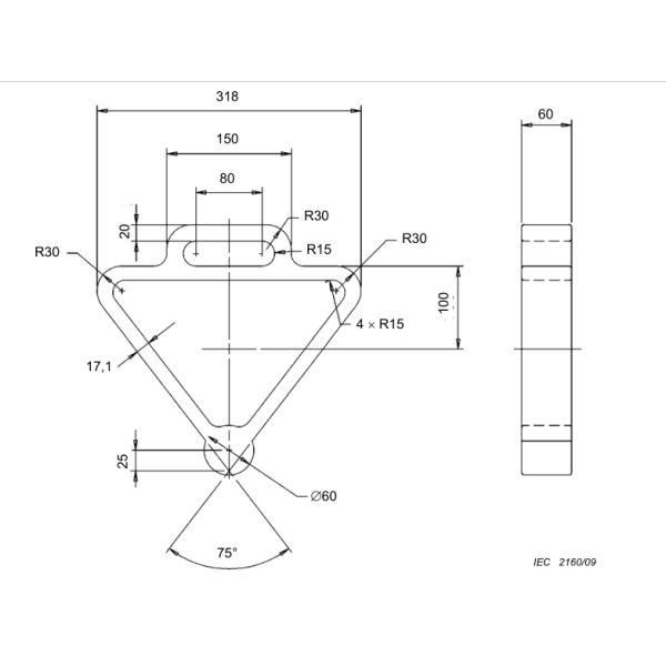
Figura CC.1 – herramienta de la cuña
Herramienta del cilindro | IEC60601-2-52-Figure 201 .103 herramienta del cilindro de b

Llave
1 peso total 3,34 kilogramo ±0,05 kilogramo
Línea central marcada 2
3 aspereza superficial 1, 6
Agujero de perforación 4 para el ajuste del peso
Cuadro 201 .1 03 b) – diagrama esquemático de la herramienta del cilindro
Herramienta del cono | IEC60601-2-52-Figure 201 .103 una herramienta del cono

Llave
1 peso total 5,1 kilogramo ±0,05 kilogramo
Línea central marcada 2
3 aspereza superficial 1, 6
Agujero de perforación 4 para el ajuste del peso
Cuadro 201 .1 03 a) – diagrama esquemático de la herramienta del cono
Cojín de cargamento | IEC60601-2-52-Figure 201 .1 cojín de cargamento 04

201 .5.1 cojín de cargamento 02
El cojín de cargamento (véase el cuadro 201 .1 04) es un objeto circular rígido, (355+/-5) milímetro de diámetro, la cara cuyo tiene una curvatura esférica convexa del radio de 800 milímetros con un radio del borde delantero de 20 milímetros.