Conmutador automotriz de encargo del motor del conmutador 24P de la ranura del motor de fan
Requisito técnico del conmutador:
1. Prueba del voltaje: barra para obstruir 500V, barra a 1500V agujereado, sin avería y destellar.
2. Prueba de la vuelta: haga la prueba de la vuelta para el conmutador debajo 140 centígrados, la velocidad es 5000RPM, la prueba continúa para 3min. Después de probar, la desviación del diámetro externo es menos de 0,015, la desviación entre la barra y la barra es menos de 0,005.
3. Resistencia de aislamiento: 500V, más que 50MΩ
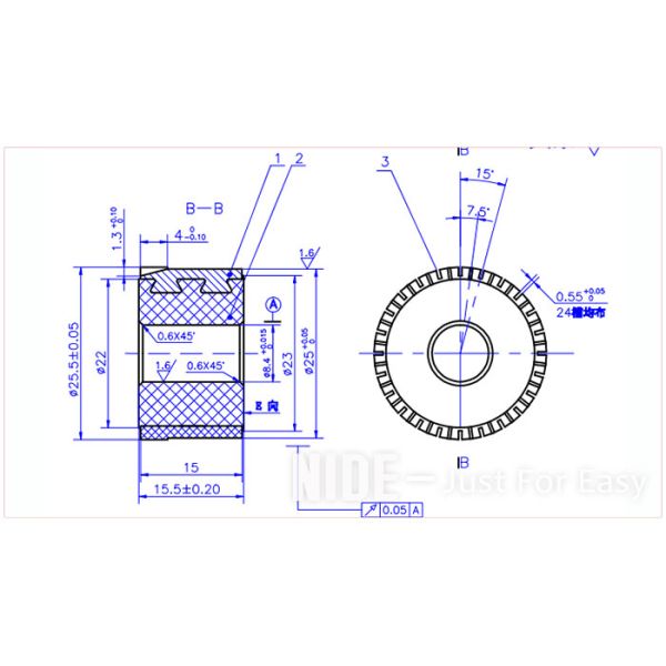
Parámetro técnico del conmutador:
| Materiales | 0,03% o 0,08% cobres de la astilla o modificado para requisitos particulares |
| Dimensión | Modificado para requisitos particulares |
| Tipo del conmutador | Tipo de anzuelo/del cultivador |
| Uso | apliqúese a la industria del automóvil, a las herramientas eléctricas, a los aparatos electrodomésticos, y a otros motores |
| Paquete | Conveniente para el transporte de la tierra y del mar |
| Capacidad de producción | 1000000pcs/month |


Información necesaria para la investigación del conmutador:
Será mejor si el cliente podría enviarnos el dibujo detallado incluyendo la información abajo.
1. Dimensión del conmutador: OD, identificación, altura total, y altura de cobre, número de la barra.
2. Tipo del conmutador: tipo de anzuelo, del cultivador o planificador
3. Material de cobre: Cu de Agcu/
4. Usos del conmutador
5. Cantidad requerida
6. Arbusto de cobre necesario o no
7. El otro requisito técnico.
Si es posible, mejorará si el cliente podría enviarnos muestras.
Nide produce más de 1200 diversos tipos de conmutador del cepillo de rotor del estator y de la armadura del motor eléctrico, incluyendo de anzuelo, tipo de la canalización vertical, tipo de la cáscara, tipo planar, extendiéndose de OD 4m m a OD 150m m y nosotros son profesionales en conmutador de fabricación durante muchos años. Los conmutadores se aplican extensamente a la industria del automóvil, a las herramientas eléctricas, a los aparatos electrodomésticos, y a otros motores. Si nuestros modelos existentes no son convenientes para usted, podríamos también desarrollar los nuevos útiles según su dibujo y muestras.

Sobre componente y los accesorios del motor
NIDE puede suministrar la gama completa de los componentes del motor eléctrico tales como conmutador, rodamiento de bolitas, protector termal, cepillo de carbono, papel del aislamiento, eje, imán, fan, cubierta del motor, etc.