1-19 GHz P1dB 10dBm Amplificador de banda ancha de bajo ruido para sistemas de radar, telecomunicaciones
Descripción
El1-19 GHz P1dB 10 dBm Amplificador de banda ancha de bajo ruido (LNA)es un módulo amplificador de RF de alto rendimiento diseñado para aplicaciones de amplia frecuencia.Este amplificador es adecuado para escenarios en los que es esencial un bajo ruido y una ganancia estable en un amplio rango de frecuencias de 1 GHz a 19 GHzEstas son las principales especificaciones y características:
Este módulo LNA es adecuado para sistemas que operan en múltiples bandas de frecuencia y requieren una amplificación de bajo ruido con un rendimiento estable.Su amplio rango de frecuencia y su potencia de salida moderada lo convierten en una opción versátil y confiable para aplicaciones de alta frecuencia.
| Las especificaciones eléctricas@25°C | ||||
| Parámetro | En el caso de las | TÍPICO | Se trata de: | Unidad |
| Rango de frecuencia | 1 | 19 | En GHz | |
| Pequeña ganancia de señal | 20 | 27 | Db | |
| Aplanamiento de la pequeña ganancia de señal | ± 2 | Db | ||
| Figura del ruido | 5 | Db | ||
| Potencia de salida 1dBcompresión | 10 | Dbm | ||
| IP3 | Dbm | |||
| VRSR Entrada/salida | 2.2:1 | Ratio | ||
| Fuente de alimentación de corriente continua | 15 | Voltios | ||
| En la actualidad | 120 | - ¿Qué es? | ||
| Clasificaciones medioambientales | ||||
| Parámetro | En el caso de las | TÍPICO | Se trata de: | Unidad |
| Potencia máxima de entrada | +20 | Dbm | ||
| Temperatura de funcionamiento | -40 años. | + 85 | °C | |
| Temperatura de no funcionamiento | - 55 años | +125 | °C | |
| Humedad relativa (no condensada) | 95 | % | ||
| El número de unidades de la aeronave que se utilizará para el ensayo será el siguiente: | 10000 | 30000 | las piernas | |
| Las condiciones de las pruebas de ensayo se determinarán en función de las condiciones de ensayo. | Cuello de aire | |||
| Las especificaciones mecánicas | |||
| Parámetro | VALOR | Los límites | Unidad |
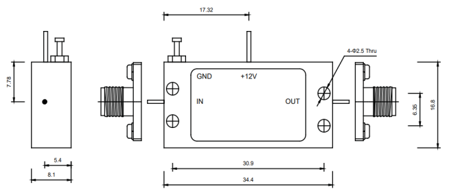
| Las dimensiones | 34.4 por 16.8 por 8.1 | - ¿ Qué es? | En el caso de las máquinas de la categoría 85 |
| Peso | 50 | - ¿ Qué es? | gramos |
| Entrada de los conectores de RF | Se trata de una | ||
| Salida de conectores RF | Se trata de una | ||
| Impedancia | 50 | Oms | |





1. Nuestras ventajas